Domanda su trappole in cavo coassiale.

Aperto da chio, 09 Marzo 2023, 11:14:54

Discussione precedente - Discussione successiva

0 Utenti e 1 Visitatore stanno visualizzando questa discussione.

chio

Ciao a tutti,
vorrei cimentarmi nella realizzazione di un dipolo con trappole in cavo coassiale.
A prescindere dalle bande da utilizzare, vorrei chiedere alcuni chiarimenti in merito che mi sono sorti vedendo in rete alcuni programmi che gestiscono la loro realizzazione:
1 - per calcolare  la capacità per metro del cavo da utilizzare come trappola (valore da inserire nel programma trovato in rete; valore che vorrei misurare senza tener conto delle caratteristiche fornite dal costruttore) : prendo un metro esatto del cavo ; da una parte tolgo la guaina, scopro per  es.0,5 cm di calza,  spello il centrale e tra questo e la calza inserisco il capacimetro, è corretto?
2 - sempre dai programmi in rete, leggo che per realizzare una certa bobina occorrono (per es.) 4,3 spire. Ma come si avvolgono 4,3 spire?
3 - per queste bobine si eseguono dei collegamenti tra la calza e il centrale che spesso vengono riportati all'interno del supporto stesso della bobina; è possibile riportarli all'esterno, ovvero passandoli sopra le spire,  facilitando così collegamenti e le saldature?

Saluti.



kz

1) sì, ma rischi di complicarti la vita per qualche frazione di poca rilevanza nel calcolo; a meno che non siano cavi di recupero, di solito le dichiarazioni del costruttore sono relativamente affidabili;
2) gli avvolgimenti dovrebbero sempre avere un diametro, da questo ricavi la circonferenza che ti aiuta con la lunghezza totale del conduttore da avvolgere; poi 0,3 è più o meno un terzo, è più facile a farsi che a dirsi;
3) bella domanda, possibile di solito è possibile tutto, le variabili sono sempre il tempo e i soldi, bisognerebbe trovare qualcuno che ci ha provato

bergio70

1 - si esatto, con un capacimetro la misuri.
2 - giochi sul diametro, fino a ottenere un valore intero, oppure termini semplicemente l'avvolgimento prima, tanto i collegamenti devi farli...
3 - non dovrebbe cambiar nulla, fai come ti è più comodo.
Puoi sempre ritoccare la risonanza con un condensatorino esterno, non è bollissimo, ma funziona.
Tanto per chiudere il tutto puoi usare la parte cilindrica di una bottiglietta dell'acqua, si termorestinge come fosse della guaina termorestingente... Con un poco di allenamento viene anche un lavoro esteticamente decente.


chio



Geremia

#4
Dopo la costruzione la frequenza di risonanza non e' mai precisamente quella che ci si aspetta. A tale proposito occorre verificarla utilizzando un analizzatore di antenna collegato con un T ad un carico da 50 Ohm oppure un grid dip meter.
Se tale frequenza f coincide con la frequenza nominale f0 desiderata, cioè se trovate f = f0, avete finito e la trappola è pronta per la siliconatura finale e per i fori di fissaggio sul supporto. Ma dovreste invece trovare f<f0, ossia una frequenza di risonanza più bassa della frequenza nominale f0. Se invece, già a questo punto, avete f > f0 qualcosa non va, verosimilmente avrete avvolto troppo poco coassiale. E poiché l'aggiustamento fine mediante aumento della spaziatura fra le spire può soltanto alzare la frequenza di risonanza diminuendo la capacità C della trappola e cioè diminuendo l' accoppiamento capacitivo fra le spire, abbiamo un problema : l' unica possibilità è o rifare l'avvolgimento con più coassiale (perché aggiungerne diventa una bojata) oppure saldare uno spezzoncino di coassiale di 4 – 5 cm. in parallelo alla trappola per avere f<f0, quindi "potarlo" a 3 o 4 mm. per volta fino ad ottenere f=f0. Se dunque, come dovrebbe essere, si trova f<f0, stirate leggermente e in modo uniforme l' avvolgimento in modo da aumentare uniformemente la spaziatura fra le spire, rifate a misura di f e ripetete l' operazione fino ad ottenere f=f0. A questo punto, avendo cura di NON modificare la configurazione delle spire, fissate con abbondante colla Attack le spire al supporto e fra di loro e lasciate asciugare, la trappola è pronta. Se, nonostante gli stiracchiamenti anche estremi compatibilmente con lo spazio disponibile,avete ancora sempre f<f0 abbiamo di nuovo un problema, c'è del coassiale di troppo e l'unica possibilità è accorciare il coassiale (per tentativi e a piccoli passi) fino ad arrivare a f=f0, fare dunque un altro foro da 5 mm. e riprovare.
Di norma però la situazione che si verifica è la f<f0 riconducibile ad f=f0.
Una conoscenza approssimativa è più dannosa rispetto a una totale ignoranza (Umberto Eco)


AZ6108

#5
Citazione di: Geremia il 14 Marzo 2023, 10:14:26A questo punto, avendo cura di NON modificare la configurazione delle spire, fissate con abbondante colla Attack le spire al supporto e fra di loro e lasciate asciugare

Al posto dell'attack si può usare vernice antirombo (quella al catrame) [emoji56] !

esempio https://www.amazon.it/GUAINA-SPRAY-Bitum%C3%AC-Pz-1-Saratoga/dp/B07BBQHRCP/

.Never argue with idiots. They will drag you down to their level and beat you with experience.


chio

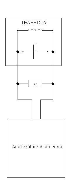
Geremia , grazie per le preziose info.....potrei utilizzare un analizzatore tipo  MFJ259 (che un amico mi  presterebbe) , potresti Geremia, indicarmi magari con un semplice disegno, come inserire l'analizzatore per controllare la risonanza delle bobine?



Geremia

#7

Puoi usare qualsiasi analizzatore di antenna, anche l'MFJ.

Una conoscenza approssimativa è più dannosa rispetto a una totale ignoranza (Umberto Eco)

Geremia

Misuri l'SWR e verifichi a quale frequenza e' minimo. Quella frequenza e' quella di risonanza della trappola. Il perche' e' insito nella trappola che e' un circuito LC parallelo. Quando risuona la sua Impedenza diventa elevatissima e quindi, di fatto, se messa in parallelo a 50 OHm e' come non ci fosse e l'SWR misurato rimane quello del carico di 50 OHm. Allontanandosi dalla frequenza di risonanza l'impedenza della trappola cala e via via che ci si allontana diventa comparabile come ordine di grandezza con i 50 OHm in parallelo e l'SWR misurato aumenta.
Spero di essere stato chiaro.
Una conoscenza approssimativa è più dannosa rispetto a una totale ignoranza (Umberto Eco)


chio

Grazie Geremia....
così come è inserito   con il giunto a T, l'analizzatore vede anche la terminazione a 50ohm....quindi il collegamento è una specie di ponte di wheatstone...ma forse dico fesserie.....ad ogni modo sei stato chiaro sul  modo di procedere. 
Grazie ancora!

Geremia

#10
Non e' un ponte di Wheastone, e' il parallelo della trappola con il carico da 50 OHm.

Una conoscenza approssimativa è più dannosa rispetto a una totale ignoranza (Umberto Eco)


AZ6108

.Never argue with idiots. They will drag you down to their level and beat you with experience.

chio

Grazie per la  precisazione Geremia....mi chiedo allora, perchè di quella resistenza a 50ohm? Non si potrebbe collegare direttamente l'analizzatore alla bobina in prova? Qual'è il suo scopo? Dallo schema mi viene da pensare che l'analizzatore vede sempre i 50 ohm della resistenza...di sicuro mi sfugge qualcosa...