Come e' fatto l'accordatore dell'FT-450D

Aperto da Geremia, 28 Gennaio 2023, 11:50:02

Discussione precedente - Discussione successiva

0 Utenti e 1 Visitatore stanno visualizzando questa discussione.

Geremia

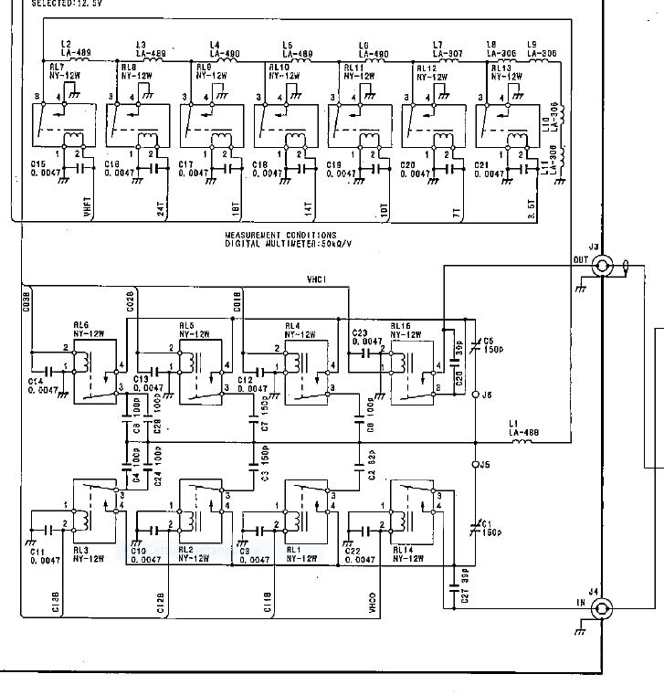
Vediamo come e' fatto l'accordatore interno dell'FT450D.
Lo schema e' il seguente :



Come si vede e' un accordatore a T dove pero' a differenza delTS-940, anch'esso a T, i due condensatori variabili motorizzati sono stati sostituiti da una serie di condensatori fissi e commutati. L'induttanza e' anch'essa a prese calcolate e non e' un roller, come peraltro anche nel TS-940.

Le commutazioni avvengono attraverso i comandi generati da uno serial shift register con output enable in uscita. In pratica la CONTROL UNIT prepara una stringa di 1 e 0 (1 switch chiuso, 0 switch aperto) di 24 bit che vengono caricati via serial data sullo shift register, ma ancora non vengono mandati in uscita. Quando il riempimento delle 24 posizioni e' completo allora viene abilitato l'OE (output enable) e la nuova configurazione compare sull'uscita. Questo componente e' il BU2152FS.
Come potrete notare ho indicato solo le ultime due induttanze poiche' hanno valore fisso, mentre le altre sono presenti nella lista componenti come numero di spire avvolte.
La CONTROL UNIT, in base all'accoppiatore direzionale in uscita, riceve i valori FWD e REW che poi, grazie a tabelle interne alla CPU vengono convertite in queste stringhe da 24 bit inizialmente, poi l'affinamento dell'accordo viene fatto con piccole variazioni introducendo o togliendo capacita' o induttanza.
Da specifiche l'accordatore interno consente un accordo max 3:1. Se l'impedenza da accordare fosse solo resistiva si potrebbe dire che accorda al max 150 OHm.
Una conoscenza approssimativa è più dannosa rispetto a una totale ignoranza (Umberto Eco)


acquario58

da come vedo deve essere lo stesso sistema utilizzato x gli accordatori automatici che si trovano nuovi sul mercato intorno ai 100 euro...

HAWK

Gli ATU interni sono tutti per principio fino a 150 OHm, solo pochi come gli LDG viaggiano fino a oltre i 1000.


Ho avuto quella radio, a dire il vero accesa 20 minuti poi riposta, tuttavia, dal bios negli algoritmi, si può alzare la soglia di intervento...


73'.


Geremia

#3
Occorre fare una premessa. Venti anni fa, o giu' di li, erano in commercio rtx come TS440,TS940, TS950, IC775,IC781. Questi apparecchi avevano dimensioni piu' generose degli attuali, infatti tutti utilizzavano nel T due variabili motorizzati che, anche se associati ad una induttanza a prese calcolate, fornivano una precisione di accordo migliore. Ovviamente non potevano accordare tutto anche perche' le tensioni sviluppate tra le lamelle dei condensatori, in caso di disadattamento elevato e con componente reattiva elevata si sarebbero potute provocare scariche viste le dimensioni dei condensatori.
Oggi i tuners esterni ricalcano lo stesso schema ma con componenti atti a risolvere parzialmente questo problema.
Oggi, la tendenza dei produttori e' quella di realizzare rtx sempre piu' compatti e quindi lo spazio a disposizione diventa sempre meno. Poiche' pero' l'acquirente oramai si e' abituato ad apparecchi con ATU entrocontenuto, la soluzione e' stata quella di sostituire i due variabili con batterie di condensatori fissi commutati e l'induttanza con serie di induttanza avvolte su toroidi in modo da ottenere lo stesso valore induttivo ma con dimensioni ridotte.. Per contro questi ATU non raggiungono la finezza di accordo dei loro progenitori ed inoltre il range di accordo e' limitato, soprattutto quando si hanno carichi disadattati con componente reattiva non proprio trascurabile.
Pertanto io considero gli accordatori interni molto limitati e presenti piu' per una necessita' commerciale che non utilitaristica.
Gli accordatori a cui tu fai riferimento sono accordatori per potenze e range limitati. Controlla le loro specifiche e cerca, se ci riesci, la voce "tuning range" e vedrai che  nel 99% dei casi e' specificata con disadattamento su carichi resistivi, senza mai citare il range in caso di presenza di reattanza. In questo caso il range cala notevolmente poiche' le tensioni sviluppate sui condensatori sono elevatissime tanto e' che si possono fondere i contatti del rele' che li inserisce/disinserisce in linea.
Io, che ho un FT450D, preferisco usare un accordatore esterno con i classici due variabili ben spaziati e una induttanza a prese calcolate quando ho a che fare con un disadattamento non conosciuto.
PS: HAWK lascia stare il BIOS che e' un'altra cosa.
Una conoscenza approssimativa è più dannosa rispetto a una totale ignoranza (Umberto Eco)


HAWK

E già, la potenzialità di aumentare la soglia, certamente non è che sia bello.

Probabilmente se si dovessero avere oltre dei  150,  meglio andare sul tetto, aumentando magari il "Q".

Visto che ci siamo, poi ti dico il motivo, ma tu sei uomo di mondo capirai al volo; 
hai mai misurato o calcolato in via teorica, sia con gli esterni che, con gli interni, quanto è, è se esiste, un assorbimento della potenza immessa?
Ovvero quanto assorbe un ATU dai watt transitanti, o non assorbe nessuna potenza in uscita ?

Sia gli ATU a T che a Pgreco...

[emoji85] [emoji86] [emoji87]
[emoji106]


Geremia

#5
Se l'ATU non e' in linea allora non produce alcun effetto, se e' in linea, come qualsiasi rete di adattamento, trasforma in calore per effetto joule una parte di energia che, a causa del disadattamento produce sugli elementi interni.
Ti faccio un esempio semplice utilizzando un T che deve accordare una Z=10+J0 OHm, quindi un carico puramente resistivo inferiore ai 50 OHm caratteristici. La potenza in ingresso e' 100W
Vediamo che succede alle varie frequenze :

1.86 MHz
Percentuale di perdita=35.9% corrispondente a 1,9dB loss, potenza utile in antenna 65W

3.5 MHz
Percentuale di perdita=22.3% corrispondente a 1,1dB loss, potenza utile in antenna 77.7W

7.1 MHz
Percentuale di perdita=12.1% corrispondente a 0.6dB loss, potenza utile in antenna 87.9W

14.200 MHz
Percentuale di perdita=6.2% corrispondente a 0.3dB loss, potenza utile in antenna 93.8W

Per l'accordatore a T ho ipotizzato i condensatori con Q=2000 e per l'induttanza Q=100.

Come vedi ad accordo raggiunto una parte di potenza, a secondo della frequenza, viene trasformata in calore per effetto joule nel 99% sulla induttanza e il restante 1% (brinca o branca) dalla resistenza che viene esibita dal dielettrico tra le lamelle.
Se ti vuoi divertire nel controllare i calcoli, tieni presente che il dBloss va visto come una attenuazione e quindi occorre utilizzare il segno - davanti al valore numerico riportato quando esegui il calcolo dell'esponenziale.
Io non sono "un uomo di mondo", sono solo abituato a usare i numeri e non parole.
Una conoscenza approssimativa è più dannosa rispetto a una totale ignoranza (Umberto Eco)


Geremia

#6
x HAWK,
adesso te la faccio io una domanda.
Supponi di avere un trasmettitore con uscita 100W, un carico fittizio da 50 OHm/1KW e in mezzo ai due inserisci in linea un accordatore di antenna, supponiamo un T.
Quanta potenza arriva al carico fittizio una volta eseguito l'accordo, perche' e' ovvio che, avendo inserito una rete, l'impedenza che vede l'RTX non e' piu' 50 OHm.
Ricorda, l'accordatore e' in linea e ad accordo eseguito si ottiene :

1.86 MHz
Percentuale di perdita=13,9% corrispondente a 0.6dB loss, potenza utile in antenna 86.15W

3.5 MHz
Percentuale di perdita=7.5% corrispondente a 0.3dB loss, potenza utile in antenna 92.5W

7.1 MHz
Percentuale di perdita=3.7% corrispondente a 0.2dB loss, potenza utile in antenna 96.3W

14.200 MHz
Percentuale di perdita=2.1% corrispondente a 0.1dB loss, potenza utile in antenna 97.9W

Per l'accordatore a T ho ipotizzato i condensatori con Q=2000 e per l'induttanza Q=100, cioe' gli stessi di prima. L'accordatore e' lo stesso.
Una conoscenza approssimativa è più dannosa rispetto a una totale ignoranza (Umberto Eco)


AZ6108

.Never argue with idiots. They will drag you down to their level and beat you with experience.

HAWK

Bene, bene, grazie a AZ per i link, molto eloquenti.

La mia domanda era per il motivo che, fior di Radioamatori, su altri lidi, ed in radio, hanno detto, su dei 3D dove si è detto, della trasformazione e dissipazione di percentile dei watt immessi, in calore ad interim, hanno detto che è una cazzata madornale.

I fior di IK, specialmente della zona 2, sostengono che un qualsiasi ATU, non provoca nessuna dissipazione ne assorbimento o dir si voglia... 
I 100 immessi escono 100 lo stesso, non esistono riduzioni di alcun genere.

Ora, io non mi posso fregiare di essere un IK2, posso più modestamente fregiarmi di un già IT9, della terronia quindi del 1980,  ricordando che il mio istruttore, nella sua cantina, mi spiegò tante cose tra cui questa.

Ergo ci ho sempre fatto caso, qualche volta misurato con strumenti anche Bird o professionali HP sul lavoro, qualcosa mi corrispondeva.

Ma ci sono degli Old Man migliori di NOI...


HAWK

In merito, con strumenti commerciali, tipo Revex, Diamond, Comet, su una misura con e senza, su carico, posso dire che, una riduzione non calcolata come dissipazione, ma come potenza diretta misurata, scende di un circa 10/15 % della potenza applicata.
Senza AT, non noto nessuna riduzione di niente...
Ovvio che sono strumenti che se va bene hanno minimo il 5% di errore di lettura quelli buoni, quindi il calcolo potrebbe raggiungere i tuoi più tecnici...penso.

Ma queste sono prove della serva, anche se li ritengo pratiche ed utili a farsi una idea. [emoji106]

Geremia

#10
xAZ
nella simulazione manca l'impedenza di carico e ipotizza che i condensatori siano reali


direi che e' troppo semplificato e i risultati non sono reali, quindi fuorviante.

xHAWK
io non sono un IK2 ma un IK4 e ancora prima, nel 1975 ero un IW4, e di sciocchezze ne ho sentite tante anche dalla zona 2.
Quello che conta per me sono i calcoli e non le chiacchere da bar fatte in 40 metri la sera.
Se tu controlli i miei post sono sempre accompagnati da calcoli e non da dicerie.
Una conoscenza approssimativa è più dannosa rispetto a una totale ignoranza (Umberto Eco)


AZ6108

#11
Geremia

"The load is a G5RV with tuned feeders operating at 3.6MHz. The tuned feeder is 9m of open wire line of characteristic impedance 450Ω, and the impedance seen by the ATU is around 40-j150Ω, this is not a particularly onerous load."

[emoji1]

[edit]

e per quanto riguarda il considerare i condensatori "ideali" ossia senza perdite, non credo falsi il risultato, anzi, rende chiaro come le perdite reali siano più alte
.Never argue with idiots. They will drag you down to their level and beat you with experience.

Geremia

#12
Ipotizzando un carico di 40-j150 e ipotizzando i condensatori con un Q=2000 si ottiene una percentuale di perdita=14.3% corrispondente a 0.7dB loss.
Se peggioriamo il Q dei condensatori portandolo a 200 e cioe' un ordine di grandezza minore, il risultato che si ottiene e' peggiorativo e cioe' una percentuale di perdita=18.4% corrispondente a 0.9dBloss.
Nel primo caso su 100W in ingresso, 14.3W vengono dissipati, nel secondo caso 18.4W. Certo, l'incidenza del Q peggiorativo dei condensatori rappresenta il 4% della perdita per effetto joule, ma esiste e non e' nulla ma non trascurabile per poterli considerare "ideali".
Una conoscenza approssimativa è più dannosa rispetto a una totale ignoranza (Umberto Eco)


HAWK

Geremia non posso che ossequiare il tuo scritto, visto che sei un libro informatico ben chiaro e utilissimo, sperando che questi scienziati della radio capitino e leggano, datosi che i newbie radiantistici gli credono pure...non oso pensare i pareri tecnici  che dispensano. [emoji106] [emoji12]
Leggerti è pari che fare una lezione in aula !!
73'.

AZ6108

Citazione di: Geremia il 29 Gennaio 2023, 08:15:15
Ipotizzando un carico di 40-j150 e ipotizzando i condensatori con un Q=2000 si ottiene una percentuale di perdita=14.3% corrispondente a 0.7dB loss.
Se peggioriamo il Q dei condensatori portandolo a 200 e cioe' un ordine di grandezza minore, il risultato che si ottiene e' peggiorativo e cioe' una percentuale di perdita=18.4% corrispondente a 0.9dBloss.
Nel primo caso su 100W in ingresso, 14.3W vengono dissipati, nel secondo caso 18.4W. Certo, l'incidenza del Q peggiorativo dei condensatori rappresenta il 4% della perdita per effetto joule, ma esiste e non e' nulla ma non trascurabile per poterli considerare "ideali".

Esatto, Duffy considera i condensatori "ideali" unicamente per non complicare il tutto, ma leggendo quanto scrive, è ovvio che le perdite reali, includendo quelle dei condensatori, saranno più elevate
.Never argue with idiots. They will drag you down to their level and beat you with experience.


AZ6108

#15
Citazione di: AZ6108 il 29 Gennaio 2023, 10:35:32
Esatto, Duffy considera i condensatori "ideali" unicamente per non complicare il tutto, ma leggendo quanto scrive, è ovvio che le perdite reali, includendo quelle dei condensatori, saranno più elevate

e, per chi non fosse convinto, basterebbe una prova pratica usando un carico fittizio con porta di misurazione, tipo ad es.

https://www.k4eaa.com/dummy.html

in tal caso si potrà misurare la potenza senza accordatore ma inserendo in linea un wattmetro, in modo da poter anche misurare le tolleranze, fatto questo si potrà inserire l'accordatore tra generatore e carico ed inserire un condensatore in serie all'ingresso del carico in modo da introdurre reattanza, ed a questo punto, una volta aggiustato l'accordatore, si potrà misurare la potenza  [emoji1]

P.S. tra l'altro, gli articoli di Duffy, mostrano chiaramente come spesso, purtroppo, i produttori forniscano la potenza massima supportata da un accordatore misurandola su un carico fittizio, ossia con adattamento perfetto, situazione questa in cui un accordatore è ovviamente inutile, poi nella realtà, accordatori dichiarati per 1KW, prendono fuoco se collegati ad un'antenna disadattata ed alimentati con 500W o meno
.Never argue with idiots. They will drag you down to their level and beat you with experience.

Geremia

#16
Esatto, specificano il loro funzionamento nelle condizioni ideali, esattamente come i produttori di automobili che dichiarano il consumo o la durata della batteria (per vetture elettriche) nel percorso di prova ideale e pensato apposta per lo scopo.
Nell'efficienza complessiva occorre inserire anche lo stato di ossidazione delle lamelle dei condensatori variabili.
Una conoscenza approssimativa è più dannosa rispetto a una totale ignoranza (Umberto Eco)


AZ6108

#17
Citazione di: Geremia il 29 Gennaio 2023, 12:28:42
Esatto, specificano il loro funzionamento nelle condizioni ideali, esattamente come i produttori di automobili che dichiarano il consumo o la durata della batteria (per vetture elettriche) nel percorso di prova ideale e pensato apposta per lo scopo.

già  [emoji12]

giusto per farsi due risate

https://groups.google.com/g/rec.radio.amateur.antenna/c/GzmuZWcqPyM

leggi l'ultimo post [emoji23]

[edit]

tornando seri, sarebbe interessante valutare le perdite introdotte da una rete ad L (L serie, C parallelo) e confrontarle a quelle della rete T [emoji56]
.Never argue with idiots. They will drag you down to their level and beat you with experience.

kz

Citazione di: Geremia il 29 Gennaio 2023, 12:28:42
specificano il loro funzionamento nelle condizioni ideali, esattamente come i produttori di automobili che dichiarano il consumo o la durata della batteria (per vetture elettriche) nel percorso di prova ideale e pensato apposta per lo scopo.

si chiamano "riferimenti", senza questi diventa tutto arbirtrario.
la misurabilità è uno dei capisaldi del mondo contemporaneo, difficile poterne fare a meno.


AZ6108

#19
Citazione di: kz il 29 Gennaio 2023, 13:08:46
si chiamano "riferimenti", senza questi diventa tutto arbirtrario.
la misurabilità è uno dei capisaldi del mondo contemporaneo, difficile poterne fare a meno.

come avrebbe detto un certo tizio, "riferimenti un corno !"; se il produttore Y di dichiara che un accordatore supporta 1KW tale potenza massima deve essere supportata per l'intera gamma R+X che l'accordatore gestisce, e non solo per R=50 ed X=0, condizioni alle quali l'accordatore NON serve.

[edit]

oppure basterebbe ONESTAMENTE dichiarare i limiti R+X entro i quali un certo accordatore supporta 1KW

Altrimenti ricadiamo nel caso dei "guadagni mirabolanti", delle "antenne miracolose", delle "potenze massime esagerate" et similia.

ciao, Andrea.
.Never argue with idiots. They will drag you down to their level and beat you with experience.

trodaf_4912

KZ, ti posso assicurare, dal momento che ero responsabile della mappatura delle ECU , che il percorso di prova si si esegue su banchi a rulli mentre il driver segue su un monitor che gli indica quando accertare, rilasciare, frenare. Questo sistema è stato concordato da tutti i produttori di autoveicoli in modo da comparare i consumi e le emissioni a fronte di modifiche eseguite in strada guidata per raccordare la mappa ottenuta al banco motore a giri fissi e dare così una guidabilita' confortevole all'utente finale. Non vado oltre perché esistono trucchi per bypassare le emissioni elevate
La saggezza arriva quando non senti più il bisogno di contraddire chiunque, anche se hai ragione. A volte e' piu' prezioso il silenzio che la vittoria in una discussione ed e' li che nasce la pace interiore.


r5000

Citazione di: AZ6108 il 29 Gennaio 2023, 13:23:09
come avrebbe detto un certo tizio, "riferimenti un corno !"; se il produttore Y di dichiara che un accordatore supporta 1KW tale potenza massima deve essere supportata per l'intera gamma R+X che l'accordatore gestisce, e non solo per R=50 ed X=0, condizioni alle quali l'accordatore NON serve.

[edit]

oppure basterebbe ONESTAMENTE dichiarare i limiti R+X entro i quali un certo accordatore supporta 1KW

Altrimenti ricadiamo nel caso dei "guadagni mirabolanti", delle "antenne miracolose", delle "potenze massime esagerate" et similia.

ciao, Andrea.

73 a tutti, esatto, l'accordatore non serve se hai già Ros 1 ma potresti avere 200 ohm puramente resistivi e l'accordatore fa' il suo lavoro onestamente senza perdite, certamente con 1ohm resistivi e 1000 reattivi il risultato è ben diverso e i produttori non possono sapere che vuoi accordare lo stilo della macchina per i 160 mt, quindi sta' a chi compra non credere alla pubblicità ma a  valutare le cose come stanno se non ci sono tutti i parametri che servono, con gli accordatori automatici scrivono che per gli 80 mt servono almeno 10 mt di stilo, è corretto, ti fanno capire che non può accordare lo stilo di 2 mt, se non c'è scritto nulla  io non sono sicuro che può farlo e penso che sicuramente non lo può fare quindi  non lo compro per la potenza che pubblicizzano, se poi non c'è traccia nemmeno nelle istruzione si passa oltre perché vuol dire che non è previsto il funzionamento con antenne molto reattive e và bene solo per usare un dipolo agli estremi della banda quando di suo è centrato  ma non ha banda passante a sufficienza,  funzionano così tutti gli accordatori dove non è specificato il carico reattivo...
non dare da mangiare al troll    https://www.rogerk.net/forum/index.php?msg=858599

kz

parliamo la stessa lingua: si crea una articolazione di riferimenti che si usa come standard; senza uno standard ognuno può dire la sua e, nei limiti del razionale, essere inconfutabile.
vista la variabilità estrema dei valori delle impedenze di una antenna o si utilizzano valori noti e condivisi nelle misurazioni o si dovrebbe rinunciare a documentare le prestazioni di un accordatore.
nelle more, meglio rivolgersi a chi dichiara più dati possibile.

vedo che c'è chi non ha dimestichezza con i riferimenti e gli standard industriali, ma pazienza: mica siamo tutti uguali e l'ignoranza è un diritto come gli altri.


AZ6108

#23
Citazione di: kz il 29 Gennaio 2023, 14:08:16
vedo che c'è chi non ha dimestichezza con i riferimenti e gli standard industriali, ma pazienza: mica siamo tutti uguali e l'ignoranza è un diritto come gli altri.

citami, ti prego, gli "standard industriali" relativi agli accordatori

grazie

e, guarda, sono serissimo; non è una provocazione.
.Never argue with idiots. They will drag you down to their level and beat you with experience.

Geremia

Una conoscenza approssimativa è più dannosa rispetto a una totale ignoranza (Umberto Eco)


AZ6108

.Never argue with idiots. They will drag you down to their level and beat you with experience.


AZ6108

Geremia

dai un'occhiata qui

https://owenduffy.net/antenna/InvertedL/InvertedL.htm

lascia stare l'antenna e vedi le considerazioni sugli accordatori ad L ed a T, credo siano interessanti [emoji18]
.Never argue with idiots. They will drag you down to their level and beat you with experience.


kz

per tornare on topic, se andiamo a leggere il manuale dell'ATU-100 di N7DCC, che è l'accordatore automatico cui si riferiva acquario58, troviamo, nella traduzione di IK3SGG:
Induttanza massima installata: 8,53 μH
La fase di installazione minima dell'induttanza: 0,05 μH Capacità
massima installata: 1869 pF
Fase di installazione capacità minima: 10 pF

la versione per esterni AT50, che in stile cinese ha una bella ambiguità con un omonimo ATU Kenwood di qualche anno fa, dichiara ottimisticamente:

l'altro ATU economico, anche se di prezzo diverso, il diffuso LDG Z100, dichiara nel manuale:


è piuttosto difficile che prodotti di questo genere e in tale categoria di prezzo dichiarino qualcosa di più dello stretto necessario, del resto la gran parte dell'utenza si accontenta di conoscere più o meno i valori assoluti di impedenza che l'accordatore possa gestire, senza distinguere tra impedenza resistiva e impedenza reattiva.
se ci riflettiamo, in un ambiente in cui, tuttora  e da più parti, vengono consigliati dei trasformatori di impedenza senza valutarne gli effetti reali sulle due componenti, è quello che l'utenza si aspetta, né più, né meno.

Geremia

Per l'ATU 100 non e' espresso il range <50 Ohm e >50 OHm. Dalle simulazioni fatte con i valori di capacita' ed induttanza riportati con una ZL puramente resistiva di 800 OHm non accorda a 1.86 MHz ne a 3.6 MHz. Comincia ad accordare a 7.1 MHz. Quindi direi che con Z>50 OHm il max e' intorno a 800 OHm puramente resistivi a 3.6 MHz. Sotto accorda senza difficolta' anche con ZL=5 OHm, sempre solo resistiva, fino a 1.86 MHz.
1869pF e' la capacita' di ognuno dei due condensatori del T se no a 5 OHm non accorda.
Una conoscenza approssimativa è più dannosa rispetto a una totale ignoranza (Umberto Eco)


r5000

Citazione di: Geremia il 31 Gennaio 2023, 15:46:50
Per l'ATU 100 non e' espresso il range <50 Ohm e >50 OHm. Dalle simulazioni fatte con i valori di capacita' ed induttanza riportati con una ZL puramente resistiva di 800 OHm non accorda a 1.86 MHz ne a 3.6 MHz. Comincia ad accordare a 7.1 MHz. Quindi direi che con Z>50 OHm il max e' intorno a 800 OHm puramente resistivi a 3.6 MHz. Sotto accorda senza difficolta' anche con ZL=5 OHm, sempre solo resistiva, fino a 1.86 MHz.
1869pF e' la capacita' di ognuno dei due condensatori del T se no a 5 OHm non accorda.
73 a tutti, giusto per curiosità avevo provato propio il mio accordatore cinese con resistenze da 4.7 ohm a strato di carbone, sicuramente antiinduttive e senza traccia di ferro, (se le provi con la calamita non si attaccano) con 2 in serie accorda su tutte le frequenze , quindi siamo a 9.4 ohm puramente resistivi, con una sola alcune bande non riesce a scendere sotto il ros 3 e anche riprovando più volte, solo se ti sposti di frequenza trova un'accordo migliore perchè la combinazione dei componenti dovrebbe essere maggiore e per questo sono meglio gli accordatori fatti con i condensatori variabili e il roller, il numero di combinazioni di questo accordatore automatico non basta, altra prova che fà vedere i limiti del sistema è aggiungere una bobina o un condensatore in serie o in parallelo al carico e con questi componenti aggiunti accorda meglio di prima, in conclusione và bene dove serve per ridurre il ros già contenuto ma dove hai ros elevato dovuto a all'antenna molto reattiva serve a ben poco...
non dare da mangiare al troll    https://www.rogerk.net/forum/index.php?msg=858599


Geremia

#30
Con i valori descritti da KZ perche' accordi, e cioe' riduca le stazionarie a 1:1, occorrerebbe una induttanza di 18uH per 1.6MHz, e 9uH per 3.6uH. Questo con le dovute tolleranze.
Ho notato che se si inserisce una parte reattiva capacitiva nel carico allora nel caso di ZL=800-j200 si ha l'accordo ma il dBloss aumenta in proporzione, mentre se la reattanza e' induttiva non aumenta cosi' velocemente.
In sintesi le bande basse sono le piu' problematiche per ottenere un range elevato con valori contenuti di induttanza.
Una conoscenza approssimativa è più dannosa rispetto a una totale ignoranza (Umberto Eco)


kz

i valori riportati sono quelli dichiarati dai progettisti/venditori.
il firmware di N7DCC considera "accordo" ROS 1.3.
ovviamente non possiamo pretendere le stesse prestazioni di variabili e induttanze in aria (senza scomodare roller) da un aggeggio che si vende in scatola di montaggio a 35 euro o da un accordatore integrato di un apparato di fascia economica.
fa quello che può con quello che c'è.

lake

non entro nel merito della discussione... siete troppo tecnici e preparati [emoji106] [emoji106] pero' da possessore del 450 confermo che piu' di 1:3 non riesce a fare, con il kenwood 570 (+ datato) riesco ad accordare moltooo meglio


Geremia

L'unico accordatore interno che considero "micidiale" che accorda praticamente carichi che noi umani non osiamo pensare e' quello della Elecraft K3,K4. Veramente notevole.
Una conoscenza approssimativa è più dannosa rispetto a una totale ignoranza (Umberto Eco)

AZ6108

Citazione di: Geremia il 31 Gennaio 2023, 21:10:44
L'unico accordatore interno che considero "micidiale" che accorda praticamente carichi che noi umani non osiamo pensare e' quello della Elecraft K3,K4. Veramente notevole.

vero, ma se è vero quel che ho sentito, ossia che l'impedenza caratteristica di quegli apparati e più bassa di 50 Ohm e viene adattata dall'accordatore interno... si spiega il miracolo
.Never argue with idiots. They will drag you down to their level and beat you with experience.


Geremia

#35
Balle.
Figurati la certificazione FCC.
Una conoscenza approssimativa è più dannosa rispetto a una totale ignoranza (Umberto Eco)

kz

Citazione di: Geremia il 31 Gennaio 2023, 21:10:44
L'unico accordatore interno che considero "micidiale" che accorda praticamente carichi che noi umani non osiamo pensare e' quello della Elecraft K3,K4. Veramente notevole.

anche il prezzo di quegli apparati è "veramente notevole": prova ad andare da chi sai tu e offrire il tuo FT-450D in permuta per un elecraft, con la differenza ti ci compreresti una stazione nuova.


AZ6108

Citazione di: Geremia il 01 Febbraio 2023, 00:18:11
Balle.

Non lo so, è una cosa che ho letto tempo fa in un gruppo di discussione, ma non ho verificato se sia vera o meno, ed infatti ho scritto "se fosse vero", ad ogni modo...

Citazione
Figurati la certificazione FCC.

non vedo problemi, supponi che lo stadio finale abbia un'impedenza di (numero a caso) 13 Ohm, con l'accordatore disinserito basta usare un trasformatore per avere i 50 Ohm alla presa di antenna, con l'accordatore inserito lo stesso andrebbe ad accordare le varie impedenze presenti alla presa di antenna a 13 Ohm (verso il finale) e non a 50 Ohm, ripeto è solo una cosa che ho sentito per cui potresti aver ragione tu, ma non credo crei problemi con la certificazione FCC
.Never argue with idiots. They will drag you down to their level and beat you with experience.

Geremia

#38
Ciao KZ, neanche a farlo apposta ci siamo sentiti ieri sera con "lui". Se si guarda il KX3 non ha differenze sostanziali come dimensioni dai concorrenti sul mercato e l'ATU e' un normale T. Secondo "lui" cio' che rende fulmineo l'accordo e l'ampio range e' dovuto agli algoritmi utilizzati molto sofisticati. Come HW non si si discosta molto dagli altri.
AZ, le voci che hai sentito sono delle caz..ate messe in giro da dementi che non hanno alcuna idea di cio' di cui parlano. E comunque e' molto semplice verifcarlo, basta un wattmetro vettoriale come l'LP-100 e un carico serio come un Bird.
Una conoscenza approssimativa è più dannosa rispetto a una totale ignoranza (Umberto Eco)


Geremia

Normalmente nei nostri accordatori manuali e' presente un accoppiatore direzionale che genera la VFWD e la VREF permettendo il calcolo dell'SWR. Quando si deve accordare si tiene sotto controllo le VREF in modo da farla calare per il minimo.
In realta', negli ATU di una certa classe esiste un altro componente in serie all'accoppiatore direzionale e cioe' un detector che misura la Tensione e la corrente con quel carico. Questi due valori sono numeri complessi e cioe' hanno una parte reale e una immaginaria. Il rapporto tra V/I permette di calcolare la Z. Da questo valore si ricava il modulo di Z (|Z|) e la sua fase Φ. Conoscendo queste due grandezze e' possibile una calcolo piu' preciso dell'accordo, infatti quando la V e la I sono in fase Φ=0 e si ha un carico puramente resistivo. Tutti questi calcoli vengono eseguiti da una CPU contenuta nell'ATU che fa solo quello.



Gli accordatori come l'ATU-100 controllano solo l'SWR.

Una conoscenza approssimativa è più dannosa rispetto a una totale ignoranza (Umberto Eco)

Geremia

Ho dato una occhiata all'ATU dell'Elecraft K3S e da quello che ho capito, a seconda del disadattamento, commuta tra LC e T.
Una conoscenza approssimativa è più dannosa rispetto a una totale ignoranza (Umberto Eco)


acquario58

di accordatori automatici mi bastano i miei quello interno al TS 850sAT e icom AT 180 che uso con l'Icom ic 7000 e prima ancora con il Ic 706 mkIIG [emoji12]

Geremia

#42
Il 3d verteva sullo studio dell'accordatore dell?FT-450D.Poi da cosa nasce cosa , sono andato a studiarmi come erano fatti in primi ATU interni dagli anni 87 in poi. Successivamente ho studiato quello del K3S che lavora in modalita' mista a seconda del carico da adattare.
Acquario, lungi da me che tu acquisti altri accordatori, anzi se vuoi pubblicare lo schema di quelli che hai fai cosa gradita.
Una conoscenza approssimativa è più dannosa rispetto a una totale ignoranza (Umberto Eco)


AZ6108

Citazione di: Geremia il 03 Febbraio 2023, 21:01:28
sono andato a studiarmi come erano fatti in primi ATU interni dagli anni 87 in poi.

questo non è interno o automatico



ma ritengo sia, ancora oggi, degno di rispetto.
.Never argue with idiots. They will drag you down to their level and beat you with experience.

Geremia

Ribadisco che il mio obiettivo era vedere che configurazione avevano e hanno ad oggi gli ATU interni.
Ad oggi l'unico ATU interno che si differenzia dalla maggioranza e che si comporta come LC/CL/T e' quello del K3S. 
Una conoscenza approssimativa è più dannosa rispetto a una totale ignoranza (Umberto Eco)


AZ6108

Citazione di: Geremia il 04 Febbraio 2023, 05:41:23
Ribadisco che il mio obiettivo era vedere che configurazione avevano e hanno ad oggi gli ATU interni.
Ad oggi l'unico ATU interno che si differenzia dalla maggioranza e che si comporta come LC/CL/T e' quello del K3S.

ok, accordatore interno, se "valgono" anche quelli manuali, il PennTek TR45L

https://www.wa3rnc.com/store/penntek-tr-45l-qrp-transceiver

usa uno Z match manuale

https://www.wa3rnc.com/images/Z-Match%20tuner.jpg

[emoji56]
.Never argue with idiots. They will drag you down to their level and beat you with experience.

Geremia

Anche l'AT-180 e' un T a commutazione di capacita' e induttanze

esattamente come quello dell'FT-450D.
Una conoscenza approssimativa è più dannosa rispetto a una totale ignoranza (Umberto Eco)