Adattamento di una verticale λ/2

Aperto da trodaf_4912, 26 Dicembre 2022, 14:26:19

Discussione precedente - Discussione successiva

0 Utenti e 1 Visitatore stanno visualizzando questa discussione.

trodaf_4912

Supponiamo di avere una verticale λ/2 e che per un miracolo, siamo sotto Natale, abbia una ZL=3200 Ω e cioe' solo parte reale. Vogliamo adattarla al nostro trasmettitore che ha una Zs=50 Ω utilizzando una rete di adattamento a L. Ci sono 2 possibilita' quando ZL>Zs e cioe' :

oppure


Per entrambe valgono le formule seguenti :
Q=SQRT((ZL/Zs)-1
XL=Q*Zs
Xc=ZL/Q
BW=frequenza/Q

Scelgo la prima e cioe' quella con condensatore in parallelo al carico ZL.
Le condizioni sono :
ZL=3200+j0 Ω
frequenza=7.1 MHz

Calcoliamo il Q = SQRT((3200/50)-1) = SQRT(63) = 7.9
Da cui XL = 7.9*50 =395 Ω e Xc = 3200/7.9 =405 Ω.
A cui corrispondono rispettivamente :
L=XL/(2*Π*frequenza)=3200/(6.28*7.1MHz)=8.8μH
C=1/(2*Π*frequenza*Xc)=1/(6.28*7.1MHz*405)=55.3pF
BW (larghezza di banda)= frequenza/Q=7.1MHz/7.9=898KHz

Adesso vediamo una prova del nove utilizzando SIM-SMITH che e' uno strumento grafico basato sulla Carta di Smith che consente di progettare la rete molto velocemente e senza calcoli.
Si ottiene questo :

Come si vede i risultati sono pressoche' identici :
C=56.7pF , L=8.7μH , Q=8.
Una nota, il Q per questo tipo di reti di adattamento non e' possibile selezionarlo ma risulta dal rapporto tra ZL e Zs e quindi dipende dal valore delle due impedenze.
Se si vuole imporre un Q diverso, e' opportuno utilizzare reti di adattamento diverse come le reti a Π.
La saggezza arriva quando non senti più il bisogno di contraddire chiunque, anche se hai ragione. A volte e' piu' prezioso il silenzio che la vittoria in una discussione ed e' li che nasce la pace interiore.


AZ6108

tutto bello ed interessante, ma mi chiedo... dove vuoi arrivare con questo ragionamento [emoji56] ?
.Never argue with idiots. They will drag you down to their level and beat you with experience.

trodaf_4912

#2
Dove voglio arrivare ?. Esattamente dove sono arrivato e cioe' come calcolare una rete di adattamento sia in forma numerica che grafica, per coloro a cui interessa approfondire la materia. Poi se a qualcuno interessa bene, se no va bene lo stesso, per me.
Prendere i calcoli fatti da altri e non verificarli o capirli non mi e' mai piaciuto.
La saggezza arriva quando non senti più il bisogno di contraddire chiunque, anche se hai ragione. A volte e' piu' prezioso il silenzio che la vittoria in una discussione ed e' li che nasce la pace interiore.


AZ6108

Citazione di: trodaf_4912 il 26 Dicembre 2022, 16:55:12
Dove voglio arrivare ?. Esattamente dove sono arrivato e cioe' come calcolare una rete di adattamento sia in forma numerica che grafica, per coloro a cui interessa approfondire la materia. Poi se a qualcuno interessa bene, se no va bene lo stesso, per me.
Prendere i calcoli fatti da altri e non verificarli o capirli non mi e' mai piaciuto.

ah ok, mi chiedevo solo se il tuo ragionamento fosse una premessa, ma vedo che si trattava di un esercizio, grazie del chiarimento.
.Never argue with idiots. They will drag you down to their level and beat you with experience.


trodaf_4912

Mi sono dimenticato di dire che il discorso vale anche se ZL non e' puramente resistiva ad esempio ZL=3200-j1000. In questo caso i calcoli devono essere fatti usando i numeri complessi per ottenere alla fine una reattanza coniugata che annulla la componente reattiva del carico (antenna).
In questo caso e' molto piu' comodo l'utilizzo dello strumento grafico poiche' rende semplice il dimensionamento della rete di adattamento.
La saggezza arriva quando non senti più il bisogno di contraddire chiunque, anche se hai ragione. A volte e' piu' prezioso il silenzio che la vittoria in una discussione ed e' li che nasce la pace interiore.


AZ6108

#5
Citazione di: trodaf_4912 il 26 Dicembre 2022, 17:12:36
Mi sono dimenticato di dire che il discorso vale anche se ZL non e' puramente resistiva ad esempio ZL=3200-j1000. In questo caso i calcoli devono essere fatti usando i numeri complessi per ottenere alla fine una reattanza coniugata che annulla la componente reattiva del carico (antenna).
In questo caso e' molto piu' comodo l'utilizzo dello strumento grafico poiche' rende semplice il dimensionamento della rete di adattamento.

e perché non provare un caso in cui la parte reattiva sia superiore a quella resistiva [emoji56] ?

ok che stiamo parlando di una 1/2 onda, ma se deve essere un esercizio, proviamo a simulare qualcosa tipo R=871 J=+2648 ...
.Never argue with idiots. They will drag you down to their level and beat you with experience.


trodaf_4912

#6
Tutt'al piu' ZL=871+J2648 Ω
Il Q=10 ma visto i limite potrebbe essere 8 poiche' non distinguo bene le curve da Q=8 a Q=10 sul disegno.
Numericamente, per ottenere il Q, che sara' complesso, occorre trasformare il numero sotto radice in forma trigonometrica. Dopo si fa la radice quadrata del modulo e poi si calcola l'angolo α in radianti corrispondente. Poiche' si deve eseguire la radice quadrata si utilizza la espressione
cos((α +2Πk)/2)+jsen((α +2Πk)/2)
Poiche' e' una radice quadrata si possono avere solo due soluzioni con k=0 e k=1 ottenendo un numero complesso che e' Q. A questo punto si calcola il suo modulo ed e' fatto.
Nel nostro caso si ha
Q= SQRT((871+j2648)/50)-1) = SQRT(16.42+j52.96)
Facendo tutti i passaggi sopra si ottiene |Q|=SQRT(7.544^2+j6.363^2)=9.8 molto slmile a 10.
La saggezza arriva quando non senti più il bisogno di contraddire chiunque, anche se hai ragione. A volte e' piu' prezioso il silenzio che la vittoria in una discussione ed e' li che nasce la pace interiore.


ik2nbu Arnaldo

Va tutto bene e grazie del contributo teorico / matematico.

Ma preferisco "nel mondo reale" abbassare il valore di L ed aumentare la C del variabile.

rende meno critica la sintonia, sacrificando di poco il fattore di merito.

trodaf_4912

#8
Arnaldo, non sono in accordo con te. Se riduci l'induttanza non sei piu' sulla circonferenza che passa per 50 OHm, e anche se aumenti la capacita' sarai sull'asse reale ma con una parte reale piu' bassa dei 50 OHm voluti. Il valore dell'induttanza e' critico se vuoi accordare come si deve il carico. E' un accordo a L e sono solo due i parametri che usi. Diverso sarebbe usando una rete a PIGRECO o T.
Ti mostro cosa succede se diminuisci l'induttanza ad esempio da 14uH a 10uH senza curarmi per ora del Q.

Ecco con L=11uH ma con rete PIGRECO
La saggezza arriva quando non senti più il bisogno di contraddire chiunque, anche se hai ragione. A volte e' piu' prezioso il silenzio che la vittoria in una discussione ed e' li che nasce la pace interiore.


ik2nbu Arnaldo

Scuasami

ma intendevo su un circuito LC parallelo con link RF a poche spire da massa,

comunemente chiamato autotrasformatore risonante.

Per le antenne mezza onda ho sempre usato questa configurazione.

Video di esempio 7 Mhz con test a 500 watt SSB:


kz

sembra che il fine di trodaf_4912 non è stato compreso affatto.
peccato.


ik2nbu Arnaldo

No assolutamente,

è un bel esercizio con delle premesse come lui stesso scrive "da regalo di babbo natale"
per spiegare con dei valori matematici (che ahimè forse il 3% dei lettori di questo forum comprende)
cosa succede ad una rete di adattamento.

Ma non ho mai visto un'antenna mezza onda accordata da un circuito LC simile...
ci sarà un motivo ?

trodaf_4912

#12
Arnaldo, gli accordatori LC come questo sono una realta' da illo tempore.
MFJ-16010
La saggezza arriva quando non senti più il bisogno di contraddire chiunque, anche se hai ragione. A volte e' piu' prezioso il silenzio che la vittoria in una discussione ed e' li che nasce la pace interiore.


ik2nbu Arnaldo

#13
Ma va ?  non me ne ero propio accorto ! [emoji23] [emoji23]

Ma il loro impiego migliore non è quello per le antenne a mezza onda,
sono ottimi con antennne filari o molto corte o molto lunghe rispetto al 1/4 onda.

Esempio mio LC per le onde medie con filo di soli 20 metri ( 1/10 onda a 1500 Khz),
senza pretendere efficienza ovviamente, il sistema irradia in perdita.

PS: costruendolo è utile prevedere lo scambio posizione del condensatore lato TX / lato antenna


AZ6108

Citazione di: ik2nbu Arnaldo il 27 Dicembre 2022, 10:04:24
PS: costruendolo è utile prevedere lo scambio posizione del condensatore lato TX / lato antenna

e magari qualche condensatore aggiuntivo [emoji56]



.Never argue with idiots. They will drag you down to their level and beat you with experience.


trodaf_4912

#15
Arnaldo, mi fa piacere che tu lo sappia, come io so che esistono molti altri sistemi di adattamento per un carico disadattato. Ma non e' questo l'argomento. Io non ho mai scritto che la rete LC sia migliore o peggiore di altri sistemi di accordo, anche se molti accordatori sotto palo sono degli LC a induttori e capacita' commutate.
Conosco l'autotrasformatore, ma quando scrivi che la rete a L non e' adatta ad accordare una antenna mezz'onda mi lasci perplesso.
Io ti ho appena dimostrato, sia numericamente che graficamente, e' possibile adattare con una rete a L un carico di 3200+jX OHm che sia una verticale o un filo di mezz'onda.
Ora, per cortesia, dimostrami numericamente, che la tua affermazione, perche' e' di questo che si tratta, e' piu' funzionale di una rete LC funzionante a 7.1MHz su di un carico come quello che esibisce una mezz'onda.
Scusate per il font piu' grande ma stamane ho difficolta' a leggere i caratteri minuscoli.
La saggezza arriva quando non senti più il bisogno di contraddire chiunque, anche se hai ragione. A volte e' piu' prezioso il silenzio che la vittoria in una discussione ed e' li che nasce la pace interiore.

trodaf_4912

#16
Vorrei correggere una risposta che ho dato portando ad esempio il Palstar AT-500 come accordatore basato su rete LC.
In realta' mi sono sbagliato alla grande in quanto tale accordatore e' un T ma con condensatore differenziale.
Tale architettura permette di non avere "falsi accordi" con dissipazione elevata in quel punto. Per contro il range di accordo e' piu' limitato di un T generico.
Inoltre nel caso di ZL di valore basso consigliano di ridurre la potenza di pilotaggio.

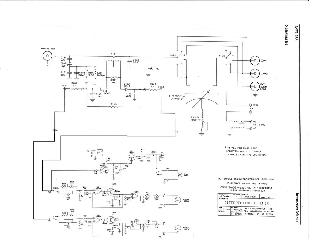
Oppure l'MFJ-986




Scusate dell'errore.
La saggezza arriva quando non senti più il bisogno di contraddire chiunque, anche se hai ragione. A volte e' piu' prezioso il silenzio che la vittoria in una discussione ed e' li che nasce la pace interiore.


AZ6108

nessun problema, ma se ci si pensa un attimo, sia il T che il Pi altro non sono che due reti ad L [emoji56]
.Never argue with idiots. They will drag you down to their level and beat you with experience.

trodaf_4912

#18
Le puoi risolvere matematicamente come due reti a L in serie dove la prima la fai terminare su una Z equivalente e la seconda parte dalla Z equivalente e va su Zl.
Non ti sto a fare i calcoli matematici ma e' cosi'.
Il fatto che siano doppie, almeno per quanto riguarda il pigreco, permette di realizzare un filtro passa basso con due poli e quindi una pendenza maggiore eliminando le armoniche piu' sensibilmente.
Un discorso a parte e' il T, che risulta piu' economico da costruire ma e' un filtro passa alto e quindi richiede un TX con gia' una sezione filtri buona. In piu' se non si usa la versione con capacitore variabile differenziale si possono trovare punti di accordo che pero' non sono i migliori per quanto riguarda la dissipazione interna. Esiste una procedura consigliata da W4ULD apparsa su QST 1995 che permette di trovare l'accordo migliore tra tutti con la percentuale di perdite minore (dB Loss).
La saggezza arriva quando non senti più il bisogno di contraddire chiunque, anche se hai ragione. A volte e' piu' prezioso il silenzio che la vittoria in una discussione ed e' li che nasce la pace interiore.


AZ6108

#19
Citazione di: trodaf_4912 il 01 Gennaio 2023, 20:42:26
Le puoi risolvere matematicamente come due reti a L in serie dove la prima la fai terminare su una Z equivalente e la seconda parte dalla Z equivalente e va su Zl.
Non ti sto a fare i calcoli matematici ma e' cosi'.
Il fatto che siano doppie, almeno per quanto riguarda il pigreco, permette di realizzare un filtro passa basso con due poli e quindi una pendenza maggiore eliminando le armoniche piu' sensibilmente.
Un discorso a parte e' il T, che risulta piu' economico da costruire ma e' un filtro passa alto e quindi richiede un TX con gia' una sezione filtri buona. In piu' se non si usa la versione con capacitore variabile differenziale si possono trovare punti di accordo che pero' non sono i migliori per quanto riguarda la dissipazione interna. Esiste una procedura consigliata da W4ULD apparsa su QST 1995 che permette di trovare l'accordo migliore tra tutti con la percentuale di perdite minore (dB Loss).

grazie per l'utile ripasso; per quanto riguarda la taratura del T, se a qualcuno servisse è qui

https://www.dj0ip.de/antenna-matchboxes/asymmetrical-matchboxes/tuning-the-t-network/

e, come giustamente hai scritto, il difetto più grosso del T sono i "falsi" punti di accordo, uno dei motivi per i quali preferisco la rete ad ad L che, tra l'altro, in alcune topologie, funge da passa basso, ossia



le topologie 3 e 4 nell'immagine sopra
.Never argue with idiots. They will drag you down to their level and beat you with experience.

trodaf_4912

#20
CitazioneEsiste una procedura consigliata da W4ULD apparsa su QST 1995 che permette di trovare l'accordo migliore tra tutti con la percentuale di perdite minore (dB Loss).
In giallo i due metodi per T con L roller o L a prese intermedie.
La saggezza arriva quando non senti più il bisogno di contraddire chiunque, anche se hai ragione. A volte e' piu' prezioso il silenzio che la vittoria in una discussione ed e' li che nasce la pace interiore.


AZ6108

Citazione di: trodaf_4912 il 02 Gennaio 2023, 18:26:22
In giallo i due metodi per T con L roller o L a prese intermedie.

grazie ! però, chiamami scemo se vuoi, io continuo a preferire il circuito ad L, fatto salvo per gli accordatori remoti, in quel caso un frimatch va alla grande (ma va bene anche in stazione)
.Never argue with idiots. They will drag you down to their level and beat you with experience.

trodaf_4912

#22
Non mi sono mai permesso ne mai mi permettero' di apostrofare con quel termine chiunque.
Se ti piace complicarti la vita e' a tuo piacere, vedila cosi'.
Parliamo di carichi puramente resistivi per facilita'.
-Se hai una ZL<50 OHm devi usare una rete con L-serie lato ZL e C-parallelo lato TX (secondo e terzo quadrante)
- Se hai una ZL>50 devi usare una rete  con C-parallelo lato ZL e L-serie lato TX (primo e quarto quadrante).
Poiche' l'accordatore si usa, generalmente, in condizioni di ZL incognita allora se si vuole usare una rete a L occorre prevedere una serie di commutatori/rele' che consentano queste due configurazioni complicandone un pochino la circuiteria.
Questa e' una storia che abbiamo gia' piu' volte affrontato in vari 3D e mi sembra tempo sprecato tornarci sopra.
Se pensi di usare una rete PIGRECO per avere l'effetto passa basso puoi farlo. Ad esempio a 7.1 MHz e con ZL=10 in una rete PIGRECO la capacita' lato TX risulterebbe 4.04nF, l'induttanza 332nH, la capacita' lato carico 2.02nF.
Usando un T, i valori Cin, L, Cout diventano piu' gestibili e meno critici (Cin=122,9pF, L=1.4uH, Cout=250pF).
Se vuoi utilizzare un T che elimini i "falsi" accordi devi usare una L verso massa e un condensatore differenziale (unico statore). Il range di adattamento sara' un po' minore del T tradizionale ma ti evitera' la ricerca del punto migliore di accordo secondo la sequenza indicata da W4ULD nel suo  articolo di QST 1995 che ho allegato in un mio precedente post.
La saggezza arriva quando non senti più il bisogno di contraddire chiunque, anche se hai ragione. A volte e' piu' prezioso il silenzio che la vittoria in una discussione ed e' li che nasce la pace interiore.


AZ6108

Citazione di: trodaf_4912 il 02 Gennaio 2023, 20:53:25
Non mi sono mai permesso ne mai mi permettero' di apostrofare con quel termine chiunque.
Se ti piace complicarti la vita e' a tuo piacere, vedila cosi'.
Parliamo di carichi puramente resistivi per facilita'.
-Se hai una ZL<50 OHm devi usare una rete con L-serie lato ZL e C-parallelo lato TX (secondo e terzo quadrante)
- Se hai una ZL>50 devi usare una rete  con C-parallelo lato ZL e L-serie lato TX (primo e quarto quadrante).
Poiche' l'accordatore si usa, generalmente, in condizioni di ZL incognita allora se si vuole usare una rete a L occorre prevedere una serie di commutatori/rele' che consentano queste due configurazioni complicandone un pochino la circuiteria.
Questa e' una storia che abbiamo gia' piu' volte affrontato in vari 3D e mi sembra tempo sprecato tornarci sopra.
Se pensi di usare una rete PIGRECO per avere l'effetto passa basso puoi farlo. Ad esempio a 7.1 MHz e con ZL=10 in una rete PIGRECO la capacita' lato TX risulterebbe 4.04nF, l'induttanza 332nH, la capacita' lato carico 2.02nF.
Usando un T, i valori Cin, L, Cout diventano piu' gestibili e meno critici (Cin=122,9pF, L=1.4uH, Cout=250pF).
Se vuoi utilizzare un T che elimini i "falsi" accordi devi usare una L verso massa e un condensatore differenziale (unico statore). Il range di adattamento sara' un po' minore del T tradizionale ma ti evitera' la ricerca del punto migliore di accordo secondo la sequenza indicata da W4ULD nel suo  articolo di QST 1995 che ho allegato in un mio precedente post.

trodaf... o non so come ti chiami, il mio discorso è semplice, banale, si tratta soltanto di efficienza null'altro; ma non ne faccio una religione, se preferisci una rete di adattamento a T, perché ritieni che soddisfi certi requisiti, a me va bene, la cosa non mi crea problemi, ma IO continuo a preferire la rete ad L

non credo sia un peccato capitale [emoji12]
.Never argue with idiots. They will drag you down to their level and beat you with experience.

trodaf_4912

#24
Cosa vuoi che ti dica, assolutamente non e' un peccato capitale. L'unica differenza sta nel fatto che io porto numeri e calcoli e tu mi rispondi con opinioni e a me va bene non ho problemi di sorta. Ti do' ragione al 100% per quanto riguarda le possibili perdite maggiori in un T rispetto ad una L (se non si segue la procedura corretta), per contro la semplicita' costruttiva di un T che lavora in tutti e 4 i quadranti senza commutazioni o accrocchi e' disarmante.
A tale proposito, visto che io mi baso sempre su numeri e calcoli, supponiamo di volere realizzare una rete a L per adattare  l'esempio di prima (ZL=10 OHm @ 7.1 MHz)



Come si vede il Q=2 e l'induttanza richiesta e' di soli 451nH e cioe' 0.451uH, valore molto basso da ottenere anche con un roller. Peraltro, non ci si puo' discostare da tale valore agendo sulla capacita per compensare il discostamento in quanto l'adattamento e' solo a 2 punti. Questo per dire che le criticita' ci sono per entrambe le soluzioni, ognuno di noi puo' avere le proprie opinioni ma occorre dare credito alle dimostrazioni numeriche, poi a me va bene tutto, tanto non sono io a doverla realizzare. Chi legge si fara' la propria di opinione.
La saggezza arriva quando non senti più il bisogno di contraddire chiunque, anche se hai ragione. A volte e' piu' prezioso il silenzio che la vittoria in una discussione ed e' li che nasce la pace interiore.


r5000

Citazione di: trodaf_4912 il 02 Gennaio 2023, 20:53:25
Non mi sono mai permesso ne mai mi permettero' di apostrofare con quel termine chiunque.
Se ti piace complicarti la vita e' a tuo piacere, vedila cosi'.
Parliamo di carichi puramente resistivi per facilita'.
-Se hai una ZL<50 OHm devi usare una rete con L-serie lato ZL e C-parallelo lato TX (secondo e terzo quadrante)
- Se hai una ZL>50 devi usare una rete  con C-parallelo lato ZL e L-serie lato TX (primo e quarto quadrante).
Poiche' l'accordatore si usa, generalmente, in condizioni di ZL incognita allora se si vuole usare una rete a L occorre prevedere una serie di commutatori/rele' che consentano queste due configurazioni complicandone un pochino la circuiteria.
Questa e' una storia che abbiamo gia' piu' volte affrontato in vari 3D e mi sembra tempo sprecato tornarci sopra.
Se pensi di usare una rete PIGRECO per avere l'effetto passa basso puoi farlo. Ad esempio a 7.1 MHz e con ZL=10 in una rete PIGRECO la capacita' lato TX risulterebbe 4.04nF, l'induttanza 332nH, la capacita' lato carico 2.02nF.
Usando un T, i valori Cin, L, Cout diventano piu' gestibili e meno critici (Cin=122,9pF, L=1.4uH, Cout=250pF).
Se vuoi utilizzare un T che elimini i "falsi" accordi devi usare una L verso massa e un condensatore differenziale (unico statore). Il range di adattamento sara' un po' minore del T tradizionale ma ti evitera' la ricerca del punto migliore di accordo secondo la sequenza indicata da W4ULD nel suo  articolo di QST 1995 che ho allegato in un mio precedente post.
73 a tutti, ormai il condensatore differenziale è il componente (per me) più difficile da trovare, roller e condensatori "normali" si trovano ancora ma per i condensatori differenziali di valore abbastanza elevato (sia come capacità che tensione di lavoro) è davvero un'impresa e l'unica soluzione per me è l'autocostruzione, due condensatori (uno posizionato alla massima capacità e l'altro alla minima) collegati assieme alla stessa manopola con perni isolati e ingranaggi, oppure si risolvono i falsi accordi con la procedura  che hai linkato...
non dare da mangiare al troll    https://www.rogerk.net/forum/index.php?msg=858599


trodaf_4912

#26
Sono d'accordo con te R5000, oggi e' piu' probabile vincere all'enalotto che riuscire a trovare un condensatore differenziale con capacita' e isolamento adeguati allo scopo. Io non sono riuscito a trovarne in commercio pronti per l'uso.
Di costruttori/venditori di condensatori variabili in aria con range capacitivi elevati e tensione di lavoro anche di 3/5 KV ce ne sono ma di differenziali non ne trovo. Costruttori come Palstar e MFJ se li fanno costruire su specifica e la tua soluzione e' ottima anche se richiede un po' di lavoro. Forse una soluzione c'e', rivolgersi a Pal Torok - HA8YU e, visto la sua disponibilita', farselo costruire.
La saggezza arriva quando non senti più il bisogno di contraddire chiunque, anche se hai ragione. A volte e' piu' prezioso il silenzio che la vittoria in una discussione ed e' li che nasce la pace interiore.


AZ6108

Citazione di: trodaf_4912 il 03 Gennaio 2023, 07:39:08
Sono d'accordo con te R5000, oggi e' piu' probabile vincere all'enalotto che riuscire a trovare un condensatore differenziale con capacita' e isolamento adeguati allo scopo. Io non sono riuscito a trovarne in commercio pronti per l'uso.
Di costruttori/venditori di condensatori variabili in aria con range capacitivi elevati e tensione di lavoro anche di 3/5 KV ce ne sono ma di differenziali non ne trovo. Costruttori come Palstar e MFJ se li fanno costruire su specifica e la tua soluzione e' ottima anche se richiede un po' di lavoro. Forse una soluzione c'e', rivolgersi a Pal Torok - HA8YU e, visto la sua disponibilita', farselo costruire.

oppure mettere insieme un accordatore ad L che possa cambiare configurazione tra L serie C parallelo ed L parallelo C serie, ma sarebbe un incubo di commutazioni, anche se qualcuno l'ha fatto, se ricordo bene il Ten Tec 238 aveva tale possibilità; l'alternativa, non volendo usare una rete a T è questa

https://pa0fri.home.xs4all.nl/ATU/FRImatch/FRImatcheng.htm

che usa solo una commutazione per scambiare ingresso ed uscita



e variabili a 2 sezioni che sono ancora reperibili; il vantaggio di tale soluzione è che, usando dei relay e dei motori RC si può facilmente remotizzare il tutto e portare la rete di accordo direttamente in antenna
.Never argue with idiots. They will drag you down to their level and beat you with experience.

trodaf_4912

Se lo vogliamo confrontare con questo :
La saggezza arriva quando non senti più il bisogno di contraddire chiunque, anche se hai ragione. A volte e' piu' prezioso il silenzio che la vittoria in una discussione ed e' li che nasce la pace interiore.


AZ6108

#29
Citazione di: trodaf_4912 il 03 Gennaio 2023, 10:33:06
Se lo vogliamo confrontare con questo :


certo che si può



la rete a T richiede un induttore a variazione continua, il FriMatch ha un induttore con prese fisse senza commutazioni; mi puoi dire che la T si può realizzare anche con un commutatore ed una induttanza a prese commutabili, ok, ma aggiungeremmo un commutatore rotativo a posizioni multiple e, comunque, la gamma di adattamento verrebbe limitata ed avremmo perdite maggiori

Oltre a questo, il T per supportare potenze sino a 400W richiede variabili con spaziatura ampia, mentre nel Fri sono sufficienti variabili con spaziatura modesta

il tutto, ovviamente, tralasciando la semplicità ed economicità del Fri usato come accordatore remoto
.Never argue with idiots. They will drag you down to their level and beat you with experience.


AZ6108

#30
vado un attimo OT, ma a proposito di accordatori, questa discussione

https://groups.google.com/g/rec.radio.amateur.antenna/c/GzmuZWcqPyM

è piuttosto interessante ed "istruttiva" [emoji41]

[edit]

per completezza, l'equazione di Witt alla quale si fa riferimento nella discussione è qui



ed è la terza nel documento
.Never argue with idiots. They will drag you down to their level and beat you with experience.


trodaf_4912

#31
Come sappiamo MFJ non presenta nei suoi prodotti una particolare qualita' costruttiva. Le discordanze sui risultati ottenuti dalle misure fatte su 5 campioni di MFJ-989 non mi meravigliano.
A tale proposito esiste un video che mostra la bassa qualita' costruttiva di un MFJ-986 :

Peraltro, i risultati ottenuti sono decisamente ottimistici  con ZL minori di 50 OHm. Tenendo in considerazione Cin e Cout con un Q=2000 e una L con Q=100, a 1.8 MHz con ZL=12.5 OHm l'efficienza calcolata e' dell'ordine del 67.7% anziche' 80.9%.
La saggezza arriva quando non senti più il bisogno di contraddire chiunque, anche se hai ragione. A volte e' piu' prezioso il silenzio che la vittoria in una discussione ed e' li che nasce la pace interiore.

AZ6108

#32
Citazione di: trodaf_4912 il 03 Gennaio 2023, 12:05:27
Come sappiamo MFJ non presenta nei suoi prodotti una particolare qualita' costruttiva. Le discordanze sui risultati ottenuti dalle misure fatte su 5 campioni di MFJ-989 non mi meravigliano.
A tale proposito esiste un video che mostra la bassa qualita' costruttiva di un MFJ

beh quanto alla qualità, in quella discussione si fa riferimento ad un MFJ il cui induttore ha preso fuoco durante i test di ARRL, MFJ ha inviato un induttore di ricambio... che a sua volta ha preso fuoco [emoji23]


basta leggere l'ultimo post nella discussione per farsi due risate, ma credo che l'intera discussione sia degna di una lettura completa [emoji2] specie, "trodaf", per i dati NUMERICI riportati [emoji41]

P.S.

in US l'acronimo MFJ viene spesso interpretato come "Most Fine Junk" o "Missisippi Finest Junk"  [emoji1]
.Never argue with idiots. They will drag you down to their level and beat you with experience.


AZ6108

#33
Citazione



...snip...



> Since the loads were all pure resistances, wouldn't it be simple and
> accurate to simply measure the RF voltage across the load resistor
> with a scope (or spectrum analyzer)?
>

> Test RF could be supplied with a low power RF generator (1 Watt should
> be enough).

...snip...

The potential trouble with testing a tuner with 1 watt, Mr. Subich, is
that tuners typically handle more than 1 watt. Remember the commercial
"3kW" tuner whose roller-inductor caught on fire at under 1kW in the ARRL
lab test? What kind of an electronics engineer rates his tuner design at
"3kW"---although he rather obviously never tested it at anything close to
the advertised power rating in QST ads?

However, it gets even better. The REPLACEMENT roller-L ALSO caught on
fire in the ARRL lab test. Now any reasonable person would have probably
thought that this electronics engineer would have taken the first fire as a
clue that something wasn't quite right, but no such luck. It's like the
lights are on in the engineering building ...... but no one answers the
doorbell.

The reason that the roller-inductors caught fire is that both were made
with a Delrin® coil-form.
I got booted out of an engineering college after my Junior year, and even
I know that Delrin® has a D-[dissipation]-factor that is unsuitable for use
around high RF potentials.......like it can melt and catch fire, as was
obviously the case.

[emoji23]
.Never argue with idiots. They will drag you down to their level and beat you with experience.

trodaf_4912

#34
Ho rieseguito i calcoli a 1.8 MHz con ZL=12.5 OHm ed ho ottenuto risultati congruenti con quelli di Tom Rauch. Dove era la differenza ?. Era nell'induttore il cui Q implicitamente e' stato ipotizzato=200 e non 100 come avevo posto. Quando si fanno certe misure, occorre caratterizzare i tutti dispositivi coinvolti.
La saggezza arriva quando non senti più il bisogno di contraddire chiunque, anche se hai ragione. A volte e' piu' prezioso il silenzio che la vittoria in una discussione ed e' li che nasce la pace interiore.


AZ6108

Citazione di: trodaf_4912 il 03 Gennaio 2023, 14:41:42
Ho rieseguito i calcoli a 1.8 MHz con ZL=12.5 OHm ed ho ottenuto risultati congruenti con quelli di Tom Rauch. Dove era la differenza ?. Era nell'induttore il cui Q implicitamente e' stato ipotizzato=200 e non 100 come avevo posto. Quando si fanno certe misure, occorre caratterizzare i tutti dispositivi coinvolti.

[emoji56]
.Never argue with idiots. They will drag you down to their level and beat you with experience.

AZ6108

#36
giusto per completezza, visto che lo ho citato, questo è il Ten Tec (la circuiteria del 229 è funzionalmente uguale a quella del 238)
.Never argue with idiots. They will drag you down to their level and beat you with experience.