Lineare RM 503 HD cattiva modulazione in SSB

Aperto da COOPER, 26 Marzo 2020, 18:49:31

Discussione precedente - Discussione successiva

0 Utenti e 1 Visitatore stanno visualizzando questa discussione.

COOPER

Ciao a tutti, ho questo lineare RM 503 HD nuovo che in AM-FM va bene ma in banda laterale la modulazione e pessima, come se mi tagliasse le parole durante la modulazione qualcuno sa dirmi da cosa puo' dipendere? grazie a tutti 73


Marco De Caprios

Citazione di: COOPER il 26 Marzo 2020, 18:49:31
Ciao a tutti, ho questo lineare RM 503 HD nuovo che in AM-FM va bene ma in banda laterale la modulazione e pessima, come se mi tagliasse le parole durante la modulazione qualcuno sa dirmi da cosa puo' dipendere? grazie a tutti 73

Forse lo piloti con troppa potenza ?

Franco Balestrazzi

Non e' che per caso il ritardo per lo sgancio del rele' di commutazione e' troppo breve ?. Prova a parlare in SSB e accosta l'orecchio al lineare per vedere se senti dei ripetuti TIC tra una parola e l'altra. Se e' cosi' allora e' il tempo di mantenimento del pilotaggio del rele' di commutazione tra TX e RX che e' troppo breve.
73' Franco


IU2IDU

#3
Io invece faccio l'ipotesi più banale (perché all'inizio della mia carriera radiantistica ci sono cascato): hai premuto correttamente il tasto di commutazione SSB/FM?
Anni fa avevo un amplificatore RM HLA300V e mi è capitato questo inconveniente: dopo avere fatto una prova col wattmetro su carico fittizio ho ricollegato la radio, poi sono impazzito perché mentre parlavo in SSB continuava a sganciare e non capivo quale fosse il motivo.
Da quel giorno ho messo un'etichetta incollata al tavolo con la scritta SSB per ricordarmi di controllare che fosse settato giusto.

73 Giulio IU2IDU
IU2IDU operatore GIULIO
686-SM COTA - Associazione Radioamatori Carabinieri


Franco Balestrazzi

Semplice, lineare e probabilmente azzeccato, bravo Giulio.
73' Franco


Archimede BG

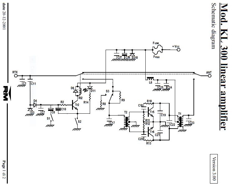
Buongiorno, anche il mio RM KL300 acquistato nuovo qualche mese fa ha lo stesso problema.
In AM e FM la modulazione è buona ma in SSB "strappa"
Lo piloto con massimo 4 watt e l'interruttore della modalità AM - SSB è ovviamente su SSB
Premetto che se anche abbasso ulteriormente il pilotaggio, il problema persiste.
Probabilmente è un problema di progettazione della serie RM


AZ6108

#6
Citazione di: Archimede BG il 10 Gennaio 2023, 21:46:24
Buongiorno, anche il mio RM KL300 acquistato nuovo qualche mese fa ha lo stesso problema.
In AM e FM la modulazione è buona ma in SSB "strappa"
Lo piloto con massimo 4 watt e l'interruttore della modalità AM - SSB è ovviamente su SSB
Premetto che se anche abbasso ulteriormente il pilotaggio, il problema persiste.
Probabilmente è un problema di progettazione della serie RM

o banalmente, la circuiteria che controlla il relay [emoji12]; purtroppo, contrariamente a molti apparati amatoriali, gli apparati CB non hanno un connettore PTT esterno che permetta, ad esempio, di controllare il relay di un amplificatore, il che costringe all'uso di quelle schifezze di circuiti controllati tramite RF [emoji13]
.Never argue with idiots. They will drag you down to their level and beat you with experience.


Archimede BG

Il rele cade solo dopo 1 secondo che cessa la modulazione

AZ6108

a meno che, il condensatore (o qualche altro componente) non sia difettoso ed il relay vibri; ripeto, quel sistema è una schifezza

.Never argue with idiots. They will drag you down to their level and beat you with experience.


r5000

73 a tutti, punti di vista... tutti i lineari cb hanno sempre usato il sistema automatico per la trasmissione e funzionano, poi se fai pause troppo lunghe tra una parola e l'altra o c'è un difetto non vuol dire che sono tutti così... ora per escludere il relè difettoso fai un cavallotto ai contatti tx  (dissaldando il relè) per vedere se modula correttamente in ssb, se non cambia nulla non è colpa del relè (e relativo schema di pilotaggio...) ma potrebbe essere la classe di lavoro che distoce la modulazione in ssb, tipicamente dovrebbe essere in classe AB e se funziona in classe C hai la distorsione che non senti in fm e am per via della portante continua che in ssb non c'è...
ps: se lo schema che vedo sul sito RM è quello del tuo lineare lavora in classe C quindi anche se c'è scritto sul frontale ssb quel tasto serve solo per mantenere in trasmissione il lineare durante le pause della parola in ssb ma la modulazione distorta è e resta dovuta alla classe di funzionamento che non dovrebbe essere utlilizzata in ssb ma di fatto è diffusa e non è il massimo per i corrispondenti di chi utilizza questo tipo di lineare...
non dare da mangiare al troll    https://www.rogerk.net/forum/index.php?msg=858599

HAWK

#10
Oltre che dirlo alla ditta, rispondono sempre anche al telefono, un moddatore valente, da nuovi gli cambia anche i finali, a richiesta del cliente, ES Radiotel di Anzalone...

Io ho usato il 500 ed il 505, con ottimi risultati, sempre per quello che sono.

Molti possono dedurre, addurre, ma loro saranno risolutivi.


Korradoroma1

Citazione di: COOPER il 26 Marzo 2020, 18:49:31
Ciao a tutti, ho questo lineare RM 503 HD nuovo che in AM-FM va bene ma in banda laterale la modulazione e pessima, come se mi tagliasse le parole durante la modulazione qualcuno sa dirmi da cosa puo' dipendere? grazie a tutti 73
non conosco il circuito del lineare in oggetto, ma se fosse in classe C e non AB allora si spiegherebbe il motivo della bassa qualità della modulazione.

AZ6108

#12
Citazione di: Korradoroma1 il 11 Gennaio 2023, 11:33:59
non conosco il circuito del lineare in oggetto, ma se fosse in classe C e non AB allora si spiegherebbe il motivo della bassa qualità della modulazione.


.Never argue with idiots. They will drag you down to their level and beat you with experience.


r5000

#13
73 a tutti, ci sono numerose versioni dello stesso modello ed è impossibile saperlo da fuori senza vedere l'interno del lineare, a seconda del lotto di produzione / periodo / disponibilità dei componenti ecc... montano cose diverse dentro lo stesso modello e adesso ci sono anche MOSFET al posto di transistor e pure  la classe di lavoro cambia...
Ps: da schema c'è la versione e bisogna controllare se sul circuito c'è la stessa versione o un'altra  https://www.google.com/url?sa=t&source=web&rct=j&url=https://www.rmitaly.com/wp-content/uploads/2018/10/831_Manuale_Tecnico_KL_300_P_rel_4.11.pdf&ved=2ahUKEwiqtLmGub_8AhVshP0HHXaZAjkQFnoECBAQAQ&usg=AOvVaw2DqVD-lerzIy5r_pXT0Ts0
non dare da mangiare al troll    https://www.rogerk.net/forum/index.php?msg=858599

Archimede BG

Mi sa che il motivo della modulazione che risulta compressa è dovuto alla classe di funzionamento che dallo schema che allego, mi sembra la C (me lo potete confermare?)
Comunque il difetto non lo si nota tanto sulla distanza, infatti chiedendo controlli a CB lontani mi danno una radio di 5 o comunque buona.
Il problema lo si nota di più nei qso a breve distanza.
Comunque grazie a tutti per i vostri pareri.


AZ6108

Citazione di: Archimede BG il 11 Gennaio 2023, 20:09:54
Mi sa che il motivo della modulazione che risulta compressa è dovuto alla classe di funzionamento che dallo schema che allego, mi sembra la C (me lo potete confermare?)
Comunque il difetto non lo si nota tanto sulla distanza, infatti chiedendo controlli a CB lontani mi danno una radio di 5 o comunque buona.
Il problema lo si nota di più nei qso a breve distanza.
Comunque grazie a tutti per i vostri pareri.

nei QSO a breve distanza, a cosa ti serve il lineare o [emoji13] magari un compressore/eco/sarcaxx ?
.Never argue with idiots. They will drag you down to their level and beat you with experience.

Korradoroma1

Citazione di: r5000 il 11 Gennaio 2023, 12:33:00
73 a tutti, ci sono numerose versioni dello stesso modello ed è impossibile saperlo da fuori senza vedere l'interno del lineare, a seconda del lotto di produzione / periodo / disponibilità dei componenti ecc... montano cose diverse dentro lo stesso modello e adesso ci sono anche MOSFET al posto di transistor e pure  la classe di lavoro cambia...
Ps: da schema c'è la versione e bisogna controllare se sul circuito c'è la stessa versione o un'altra  https://www.google.com/url?sa=t&source=web&rct=j&url=https://www.rmitaly.com/wp-content/uploads/2018/10/831_Manuale_Tecnico_KL_300_P_rel_4.11.pdf&ved=2ahUKEwiqtLmGub_8AhVshP0HHXaZAjkQFnoECBAQAQ&usg=AOvVaw2DqVD-lerzIy5r_pXT0Ts0
Esatto. Ciò che intendevo. Ci sono troppe versioni con la stessa sigla. Difficile capire la classe di funzionamento e i transistor usati senza aprire il lineare basandosi solo sullo schema scaricabile dal web


dattero

giusto per info: quanti watt dovrebbe essere?? dichiarati ed effettivi? il kl 300

dallo schema sembra di vedere un b300 della ZG, alla fine si copiano tutti

AZ6108

#18
Citazione di: dattero il 11 Gennaio 2023, 20:59:30
giusto per info: quanti watt dovrebbe essere?? dichiarati ed effettivi? il kl 300

dallo schema sembra di vedere un b300 della ZG, alla fine si copiano tutti

le solite m#rd#! uno PRENDE uno schema da X e pensando che X sia un cretino, lo modifica per fargli tirare (in TEORIA) più Watt, un altro lo copia e, pensando di saperne di più lo RImodifica... ed alla fine della fiera, ecco la m#rd# che si meritano gli acquirenti, ossia la "massa bovina" [emoji13]
.Never argue with idiots. They will drag you down to their level and beat you with experience.


dattero

Citazione di: AZ6108 il 11 Gennaio 2023, 21:11:31
le solite m#rd#! uno PRENDE uno schema da X e pensando che X sia un cretino, lo modifica per fargli tirare (in TEORIA) più Watt, un altro lo copia e, pensando di saperne di più lo RImodifica... ed alla fine della fiera, ecco la m#rd# che si meritano gli acauirenti, ossia la "massa bovina" [emoji13]

guarda hai strà-ragione.
ho ancora in casa un vecchio b300 che mi diedero in quanto presentava lo stesso difetto dei sopracitati, lo provai con un CB omologato e mi sentivano perfettamente, allora mi feci dare la radio con cui scopri il problema , apparentemente originale ,5W, usciva uno schifo in AM  (la FM era stata elinminata). Morale della storia era il CB che usciva già sporco e amplificando accentuava lo schifo.
Ma il CB l'aveva preparato un Tecnico , mica pinco pallino.

r5000

Citazione di: Archimede BG il 11 Gennaio 2023, 20:09:54
Mi sa che il motivo della modulazione che risulta compressa è dovuto alla classe di funzionamento che dallo schema che allego, mi sembra la C (me lo potete confermare?)
Comunque il difetto non lo si nota tanto sulla distanza, infatti chiedendo controlli a CB lontani mi danno una radio di 5 o comunque buona.
Il problema lo si nota di più nei qso a breve distanza.
Comunque grazie a tutti per i vostri pareri.
73 a tutti, il tuo amplificatore lavora in classe B, in pratica utilizza due transistor che funzionano in classe C ognuno, se polarizzavano le basi dei transistor la classe di funzionamento era AB ben più pulita della classe B e C ma la potenza d'uscita si riduce (e aumenta la potenza dissipata in calore...) e per questo non la utilizzano sempre ma solo su alcuni modelli di "lusso" che solitamente usano più transistor e vengono utilizzati "solo" in ssb mentre il grosso della produzione viene utilizzato in am\fm e complice il fatto che la distorsione non si avverte come in ssb gli amplificatori in classe AB sono la minoranza, poi la classe AB  migliora anche l'affidabilità se il bias è compensato in temperatura e questo viene fatto solo sui modelli costosi quando dovrebbe essere la regola ma da quando esistono i lineari cb la qualità dell'emissione non è tra i primi parametri di progetto...
non dare da mangiare al troll    https://www.rogerk.net/forum/index.php?msg=858599


Smemail74

Citazione di: r5000 il 10 Gennaio 2023, 23:21:49
73 a tutti, punti di vista... tutti i lineari cb hanno sempre usato il sistema automatico per la trasmissione e funzionano, poi se fai pause troppo lunghe tra una parola e l'altra o c'è un difetto non vuol dire che sono tutti così... ora per escludere il relè difettoso fai un cavallotto ai contatti tx  (dissaldando il relè) per vedere se modula correttamente in ssb, se non cambia nulla non è colpa del relè (e relativo schema di pilotaggio...) ma potrebbe essere la classe di lavoro che distoce la modulazione in ssb, tipicamente dovrebbe essere in classe AB e se funziona in classe C hai la distorsione che non senti in fm e am per via della portante continua che in ssb non c'è...
ps: se lo schema che vedo sul sito RM è quello del tuo lineare lavora in classe C quindi anche se c'è scritto sul frontale ssb quel tasto serve solo per mantenere in trasmissione il lineare durante le pause della parola in ssb ma la modulazione distorta è e resta dovuta alla classe di funzionamento che non dovrebbe essere utlilizzata in ssb ma di fatto è diffusa e non è il massimo per i corrispondenti di chi utilizza questo tipo di lineare...
ESATTO! assolutamente cosi..... uesta è la spiegazione corretta ...il resto sono inutilità!!!

HAWK

Nel mero comando di ritardo per la SSB in commutatore, è quindi chiara, ne avevo pensato, ma non avendo valenze tecniche, non volevo dire una cavolata in pubblico, dopo aver visto il diagramma, leggerlo mi fa sentire preparato, a capire almeno.
Fin dal tempo dello Speedy nero della CTE qualcosa ne avevo capito...HI.
Detto questo, riproporrei una domanda approfittando dell' argomento.

E' al secolo ed in tutti i forum come in USA che, il prodotto RM Italy, di vaia tipologia, in rapporto uso/prezzo, è apprezzato; non menioniamo spurie o spettralità varie, restiamo sul prodotto per quello che è.

Tra le produzioni a costo giusto, quali possono essere i meno problematici ?

Ci mettiamo anche quelli detti HAM meglio filtrati ?

Quelli da mè usati, 500 e 505, no black, non mi hanno mai dato problemi di modulazione in tx, MA, non pilotati da una radio CB, ma radio HF di fatto.

Grazie per la risposta.


r5000

Citazione di: HAWK il 12 Gennaio 2023, 11:24:22
Nel mero comando di ritardo per la SSB in commutatore, è quindi chiara, ne avevo pensato, ma non avendo valenze tecniche, non volevo dire una cavolata in pubblico, dopo aver visto il diagramma, leggerlo mi fa sentire preparato, a capire almeno.
Fin dal tempo dello Speedy nero della CTE qualcosa ne avevo capito...HI.
Detto questo, riproporrei una domanda approfittando dell' argomento.

E' al secolo ed in tutti i forum come in USA che, il prodotto RM Italy, di vaia tipologia, in rapporto uso/prezzo, è apprezzato; non menioniamo spurie o spettralità varie, restiamo sul prodotto per quello che è.

Tra le produzioni a costo giusto, quali possono essere i meno problematici ?

Ci mettiamo anche quelli detti HAM meglio filtrati ?

Quelli da mè usati, 500 e 505, no black, non mi hanno mai dato problemi di modulazione in tx, MA, non pilotati da una radio CB, ma radio HF di fatto.

Grazie per la risposta.
73 a tutti, presumo che volevi scrivere menzionano spurie ecc... comunque qualsiasi produttore e marca è in grado di costruire prodotti migliori ma si adegua al mercato e vince sempre il prezzo sulla qualità quindi gli amplificatori in classe AB difficilmente sono utilizzati con i modelli base e economici,  idem per i filtri passa basso, non sono mai integrati ma da aggiungere a parte (tranne che per gli amplificatori radioamatoriali che giustamente li integrano di serie) anche perché "in teoria" l'amplificatore non è utilizzabile da tutti cb ma solo dove non ci sono limitazioni a riguardo (mercato export) e senza limitazioni i produttori possono fare come vogliono, aggiungi che nemmeno chi compra si preoccupa di comprare oggetti di qualità e questo è il risultato... Amplificatori economici diffusissimi e amplificatori di qualità rari e molto più costosi, considera che non basta la polarizzazione dei transistor per passare dalla classe B a AB ma in base alla corrente di riposo, livello di pilotaggio e tensione di alimentazione la qualità del segnale amplificato cambia in modo sostanziale  e di conseguenza anche la dissipazione che aggiunge  costi di produzione( radiatore più grande, ventole, circuito di compensazione, protezioni ecc...) e quindi anche all'utilizzatore finale, alla fine vedi il lineare cb che utilizza gli stessi transistor ma a seconda del circuito costa il doppio e oltre a seconda del circuito utilizzato, il vero problema è capire prima di comprare se porti a casa un circuito in classe AB di buona fattura o qualcosa di peggio...
non dare da mangiare al troll    https://www.rogerk.net/forum/index.php?msg=858599

AZ6108

Citazione di: r5000 il 12 Gennaio 2023, 14:17:02
73 a tutti, presumo che volevi scrivere menzionano spurie ecc... comunque qualsiasi produttore e marca è in grado di costruire prodotti migliori ma si adegua al mercato e vince sempre il prezzo

Più che altro (purtroppo) è una questione di stare sul mercato; se l'azienda "X" produce degli ampli ben filtrati e ben progettati e costruiti, ma per avere un margine li deve vendere a "1000", mentre l'azienda "Y" vende della roba inguardabile ma che esce (in teoria) con la stessa potenza (anche se con armoniche e immondizia di vario genere) MA che viene venduta a "100"... non c'è storia, quantomeno in ambito "CB" (ma NON SOLO, occhio), la maggior parte degli acquirenti, neanche si perita di andare a capire il perchè della differenza di costo, si basa solo su "l'ho misurato ed esce con addirittura X Watt" oppure "con l'ampli UYT ho contattato Marte, Giove e Sarcaxxo" ... ed a quel punto, l'azienda "X" che fa le cose per bene, si vede costretta a chiudere i battenti, perchè fuori mercato, oppure a ridursi a produrre roba di scarsa qualità per restare a galla

.Never argue with idiots. They will drag you down to their level and beat you with experience.


r5000

73 a tutti, è vero, il mercato con le sue regole alla fine vince sui propositi e anche chi vorrebbe fare prodotti di qualità si adegua ,si vede in tutte le cose dal cibo all'alta tecnologia dove pur di limare il costo tolgono tutto il possibile,  una banalità, l'icom 705 ha tutto e di più come connessione wifi, Bluetooth ma non ha più la presa acc che  c'è in tutte le radio ICOM da sempre... evidentemente per contenere il prezzo hanno tolto quello che è ritenuto superato ma preclude l'utilizzo delle periferiche che funzionano ancora con il 706 e a me non sembra che 10€ in più o meno fanno differenza ma alla ICOM  si sono adeguati al mercato, aggiungono cose nuove e tolgono qualcosa di vecchio che avrebbero potuto lasciare...
non dare da mangiare al troll    https://www.rogerk.net/forum/index.php?msg=858599


AZ6108

Citazione di: r5000 il 12 Gennaio 2023, 14:48:53
73 a tutti, è vero, il mercato con le sue regole alla fine vince sui propositi e anche chi vorrebbe fare prodotti di qualità si adegua ,si vede in tutte le cose dal cibo all'alta tecnologia dove pur di limare il costo tolgono tutto il possibile,  una banalità, l'icom 705 ha tutto e di più come connessione wifi, Bluetooth ma non ha più la presa acc che  c'è in tutte le radio ICOM da sempre... evidentemente per contenere il prezzo hanno tolto quello che è ritenuto superato ma preclude l'utilizzo delle periferiche che funzionano ancora con il 706 e a me non sembra che 10€ in più o meno fanno differenza ma alla ICOM  si sono adeguati al mercato, aggiungono cose nuove e tolgono qualcosa di vecchio che avrebbero potuto lasciare...

Già, e tornando ai lineari, il circuito "RF sense" viene usato praticamente SOLO dai lineari "per CB" dato che gli apparati HF, contrariamente ai CB che non hanno MAI adottato tale SEMPLICE pratica, hanno una linea "PTT" esterna che permette di controllare (tra le altre cose) anche il relay di un lineare; considerando che siamo nel 2023 e che le uniche "migliorie" apportate agli apparati CB riguardano FESSERIE (tipo echo, beep, etc...) credo sia facile trarre conclusioni sul tipo di utenza  (occhio NON tutti gli utenti) che acquista maggior parte di tali apparati, poi c'è chi mi viene a dire che certi apparati venduti come "10 metri" non sono dei "CB" in tutto e per tutto [emoji13]
.Never argue with idiots. They will drag you down to their level and beat you with experience.


kz

appurato che lo RM 503 HD sia un amplificatore RF in classe B, quindi un lineare, e che sia adeguato all'uso in SSB, sembra che si stia finendo nei soliti inutili discorsi sui massimi sistemi.

un amplificatore RF è una macchina molto semplice, se per qualche motivo viene semplificata troppo, ad esempio usando la classe C,  perde una parte delle possibili applicazioni; fare paragoni con apparati complessi come lo IC-705, che in cambio di altre interfacce, più attuali e commercialmente molto diffuse, ha perso una porta dedicata, mi sembra  fuori luogo.

AZ6108

Citazione di: kz il 12 Gennaio 2023, 15:21:14
appurato che lo RM 503 HD sia un amplificatore RF in classe B, quindi un lineare, e che sia adeguato all'uso in SSB, sembra che si stia finendo nei soliti inutili discorsi sui massimi sistemi.

se aggiungere un jack "PTT" esterno su un apparato CB e prevederlo in un ampli CB viene considerato un "discorso sui massimi sistemi", secondo te qui si dovrebbe parlare di ricette di cucina ?
.Never argue with idiots. They will drag you down to their level and beat you with experience.


r5000

73 a tutti, i cb non hanno prese ptt esterne per comandare amplificatori perché "in teoria" non si usano amplificatori, la commutazione rf oltre ad essere universale è anche comoda per non posare ulteriori cavi tra radio e amplificatori, usare il ptt e un sequencer  è la soluzione perfetta quando c'è anche un preamplificatore d'antenna ma per il solo amplificatore basta anche la commutazione rf e il tasto ssb allunga il tempo di trasmissione per non staccare tra una sillaba e l'altra...
non dare da mangiare al troll    https://www.rogerk.net/forum/index.php?msg=858599


AZ6108

Citazione di: r5000 il 12 Gennaio 2023, 17:16:09
73 a tutti, i cb non hanno prese ptt esterne per comandare amplificatori perché "in teoria" non si usano amplificatori

Ok, se parliamo di apparati "omologati" ci sta, ma per quanto riguarda gli apparati CB venduti come apparati "per i 10m" ... [emoji14]
.Never argue with idiots. They will drag you down to their level and beat you with experience.


r5000

73 a tutti, ok , per gli apparati non omologati ricordo alcuni apparati con un connettore multiplo dove si poteva collegare ptt, chiamata selettiva, centralino telefonico ecc... Apparati veicolari e anche da tavolo avevano questo connettore con un cavallotto che non andava tolto, Lincoln ad esempio...
non dare da mangiare al troll    https://www.rogerk.net/forum/index.php?msg=858599

AZ6108

Citazione di: r5000 il 12 Gennaio 2023, 19:02:34
73 a tutti, ok , per gli apparati non omologati ricordo alcuni apparati con un connettore multiplo dove si poteva collegare ptt, chiamata selettiva, centralino telefonico ecc... Apparati veicolari e anche da tavolo avevano questo connettore con un cavallotto che non andava tolto, Lincoln ad esempio...

ok, torniamo ad oggi, ed agli apparati CB venduti come "amatoriali per i 10m" (sic) ed alla mancanza di questo semplice connettore [emoji13]
.Never argue with idiots. They will drag you down to their level and beat you with experience.


kz

#33
Citazione di: r5000 il 12 Gennaio 2023, 19:02:34
per gli apparati non omologati ricordo alcuni apparati con un connettore multiplo dove si poteva collegare ptt, chiamata selettiva, centralino telefonico ecc... Apparati veicolari e anche da tavolo avevano questo connettore con un cavallotto che non andava tolto, Lincoln ad esempio...

anche omologati, ad esempio elbex master 34/polmar tennessee.

ma la bontà del sistema di commutazione dei lineari CB è proprio la sua universalità: qualunque sorgente ci colleghi funzioneranno senza altre necessità, del resto sono stati studiati, e vengono prodotti e venduti da 50 anni, per essere utilizzati con apparati utilitari.

AZ6108

#34
Citazione di: kz il 12 Gennaio 2023, 20:01:00
anche omologati, ad esempio elbex master 34/polmar tennessee.

ma la bontà del sistema di commutazione dei lineari CB è proprio la sua universalità: qualunque sorgente ci colleghi funzioneranno senza altre necessità, del resto sono stati studiati, e vengono prodotti e venduti da 50 anni, per essere utilizzati con apparati utilitari.

ah... e se si tratta di una "bontà" come mai i lineari HF non usano tale "ottimo" sistema ? Ma per favore !

P.S. il "perché i CB non hanno una presa PTT" non vale [emoji13]
.Never argue with idiots. They will drag you down to their level and beat you with experience.


Marco De Caprios

Citazione di: kz il 12 Gennaio 2023, 20:01:00
anche omologati, ad esempio elbex master 34/polmar tennessee.

ma la bontà del sistema di commutazione dei lineari CB è proprio la sua universalità: qualunque sorgente ci colleghi funzioneranno senza altre necessità, del resto sono stati studiati, e vengono prodotti e venduti da 50 anni, per essere utilizzati con apparati utilitari.
Ci sono molti lineari in VHF e UHF che funzionano con lo stesso sistema senza alcun problema.

inviato M2004J19C using rogerKapp mobile


AZ6108

#36
Citazione di: Aquila Fr il 12 Gennaio 2023, 20:48:09
Ci sono molti lineari in VHF e UHF che funzionano con lo stesso sistema senza alcun problema.

quello lo so, ma NON significa che sia un sistema ideale; altrimenti, tanto per fare un esempio, lo avrebbero adottato anche su lineari tipo Ameritron AL-1500 (esempio a caso), chissà perché non lo hanno fatto, saranno cretini ?
.Never argue with idiots. They will drag you down to their level and beat you with experience.


r5000

73 a tutti, esatto, i transverter radioamatoriali come funzionano? con l'rf che commuta in tx quando il transverter è posizionato sul traliccio o comunque lontano dall'apparato rtx, con il biasT usi anche il cavo coassiale per l'alimentazione, come funziona l'accordatore remoto? sempre tramite rf e biasT se non vuoi/ puoi posare altri cavi oltre al cavo coassiale, quindi non è proprio una schifezza come soluzione... Poi se si vuole comandare un lineare radioamatoriale con l'alan 48 ultra modificato si può sempre prendere il ptt dal microfono e si risolve ma non serve complicarsi la vita quando c'è già un sistema semplice e funzionale...
Ps: il collegamento tra apparati radioamatoriali e amplificatori lineari si usa per avere la migliore emissione possibile ( alc che limita la distorsione del segnale)  ma basta un settaggio sbagliato ed ecco che l'amplificatore ultralineare diventa peggio del cb in classe C e dipende tutto dall'operatore, quindi serve anche la perfetta conoscenza operativa ( merce rara a guardare certe modulazioni nelle bande radioamatoriali...) ma in banda cb  è semplificato tutto al massimo, anche l'utilizzo degli amplificatori...
non dare da mangiare al troll    https://www.rogerk.net/forum/index.php?msg=858599

AZ6108

Citazione di: r5000 il 12 Gennaio 2023, 21:11:43
73 a tutti, esatto, i transverter radioamatoriali come funzionano? con l'rf che commuta in tx quando il transverter è posizionato sul traliccio o comunque lontano dall'apparato rtx, con il biasT usi anche il cavo coassiale per l'alimentazione, come funziona l'accordatore remoto? sempre tramite rf e biasT se non vuoi/ puoi posare altri cavi oltre al cavo coassiale, quindi non è proprio una schifezza come soluzione... Poi se si vuole comandare un lineare radioamatoriale con l'alan 48 ultra modificato si può sempre prendere il ptt dal microfono e si risolve ma non serve complicarsi la vita quando c'è già un sistema semplice e funzionale...
Ps: il collegamento tra apparati radioamatoriali e amplificatori lineari si usa per avere la migliore emissione possibile ( alc che limita la distorsione del segnale)  ma basta un settaggio sbagliato ed ecco che l'amplificatore ultralineare diventa peggio del cb in classe C e dipende tutto dall'operatore, quindi serve anche la perfetta conoscenza operativa ( merce rara a guardare certe modulazioni nelle bande radioamatoriali...) ma in banda cb  è semplificato tutto al massimo, anche l'utilizzo degli amplificatori...

bel tentativo, ma resta in argomento, si parla di lineari e del fatto che gli apparati CB (chiamali 10m ma non lo sono) a differenza di quelli HF non abbiano una presa PTT esterna ... e che tali apparati "10m" siano dei CB neanche tanto camuffati, anche perché vorrei vedere un OM usare un apparato CANALIZZATO (e NON parlo di memorie, sono una cosa diversa) in HF; e si sta parlando del fatto che l'uso di una commutazione "RF sensing" sia TIPICA di apparati orientati, appunto, all'uso CB; pertanto ti prego di restare in argomento.
.Never argue with idiots. They will drag you down to their level and beat you with experience.


r5000

73 a tutti, no, non è una esclusiva cb, come scritto sopra da Aquila Fr esistono lineari esclusivamente radioamatoriali che utilizzano lo stesso sistema e funzionano benissimo, vuoi perchè in vhf\uhf sono utilizzati in macchina (ma non solo...) è comodo e affidabile usare l'rf, se a te non piace ok ma solo a te non piace...
ps: chiaramente non è un sistema adatto a chi parla in ssb e non sà cosa dire o che ci mette molto tempo tra una parola e l'altra, ma se sai già cosa dire e lo dici (come dovrebbe essere...) il tempo di rilascio è sufficiente e non ci sono problemi di nessun tipo...
non dare da mangiare al troll    https://www.rogerk.net/forum/index.php?msg=858599

Geremia

#40
Il circuito di prelievo RF e' calcolato per una frequenza e quindi per la CB, come per le VHF o le sole UHF va bene.
In un amplificatore HF al variare della frequenza il prelievo puo' non essere sufficiente. Se puo' andare bene per i 27/28MHz, non e' sufficiente per i 3.5MHz.
E non abbiamo parlato del condensatore di ritardo da inserire per la SSB il cui valore cambia anch'esso da banda a banda.
E' molto piu' semplice usare un comando derivato dal PTT. Tutti gli amplificatori HF multibanda seri hanno codesto comando, compreso gli RM di fascia alta.
PS: Gli RM hanno anche il comando RF ma la potenza di ingresso e' ridotta ad un valore uguale per ogni banda. In generale sugli RM viene usato in campo radioamatoriale il comando derivato dal PTT.
Un'altra cosa : il Bias-T .
Il Bias-T sfrutta il cavo coassiale iniettando in stazione sul suo centrale una tensione che puo' essere positiva, negativa, alternata. In cima al palo esiste un circuito che disaccoppia questa tensione dalla RF e, in base alla polarita', accende, spegne i vari dispositivi.
Come esempio si puo' prendere il commutatore di antenna Ameritron RCS-4X, vedasi lo schema del modulo in centrale e quello contenuto nel commutatore di antenna da palo.

Ultima cosa, domandatevi perche' tutti gli RTX radioamatoriali hanno una uscita riconducibile al PTT, potrebbero risparmiarsela e usare una commutazione RF.

Ecco qui.
Una conoscenza approssimativa è più dannosa rispetto a una totale ignoranza (Umberto Eco)


r5000

Citazione di: Geremia il 12 Gennaio 2023, 23:54:02
Il circuito di prelievo RF e' calcolato per una frequenza e quindi per la CB, come per le VHF o le sole UHF va bene.
In un amplificatore HF al variare della frequenza il prelievo puo' non essere sufficiente. Se puo' andare bene per i 27/28MHz, non e' sufficiente per i 3.5MHz.
E non abbiamo parlato del condensatore di ritardo da inserire per la SSB il cui valore cambia anch'esso da banda a banda.
E' molto piu' semplice usare un comando derivato dal PTT. Tutti gli amplificatori HF multibanda seri hanno codesto comando, compreso gli RM di fascia alta.
PS: Gli RM hanno anche il comando RF ma la potenza di ingresso e' ridotta ad un valore uguale per ogni banda. In generale sugli RM viene usato in campo radioamatoriale il comando derivato dal PTT.
Un'altra cosa : il Bias-T .
Il Bias-T sfrutta il cavo coassiale iniettando in stazione sul suo centrale una tensione che puo' essere positiva, negativa, alternata. In cima al palo esiste un circuito che disaccoppia questa tensione dalla RF e, in base alla polarita', accende, spegne i vari dispositivi.
Come esempio si puo' prendere il commutatore di antenna Ameritron RCS-4X, vedasi lo schema del modulo in centrale e quello contenuto nel commutatore di antenna da palo.

Ultima cosa, domandatevi perche' tutti gli RTX radioamatoriali hanno una uscita riconducibile al PTT, potrebbero risparmiarsela e usare una commutazione RF.

Ecco qui.
73 a tutti, sì è così se pensi allo stesso schema semplice utilizzato per gli amplificatori cb ma se prevedi l'utilizzo larga banda dai 3 mhz ai 30 mhz progetti un circuito ben più complesso dove compensi i livelli e filtri banda per banda, infatti il costo degli amplificatori cb è notevolmente inferiore agli amplificatori radioamatoriali dotati di filtri e tutto il necessario per renderli utilizzabili  da 3 a 30 mhz... il fatto che tutti gli rtx radioamatoriali utilizzano il ptt e alc è per adeguarsi agli amplificatori radioamatoriali che utilizzano questo sistema di comando ma non preclude l'utilizzo del comando automatico tramite rf, come ho già scritto quando l'obbiettivo è trasmettere il segnale meno distorto possibile si usa il ptt e l'alc regolato in modo ottimale per avere l'emissione pulita, con il comando tramite rf è comunque possibile ma non hai il pieno controllo dell'emissione e quindi si deve dosare l'alc e la potenza dell'apparato in modo corretto, è infatti la regola quando si utilizzano transverter dove si DEVE avere il trasmettitore ben regolato altrimenti hai una trasmissione degradata, giusto per chiarire il biasT per l'accordatore automatico era un'altro esempio di comando possibile che non utilizza il ptt esterno, alla fine le soluzioni sono molteplici e i progettisti scelgono una soluzione, può essere dovuta solo al contenimento dei costi (nel caso dei prodotti economici sceglieranno sempre la soluzione meno costosa) ma se c'è margine o si vuole produrre qualcosa di migliore rispetto alla concorrenza si utilizzano soluzioni più raffinate, tipo l'aggiunta di protezioni  e compensazione termica del bias che si vede solo negli amplificatori di fascia alta...
non dare da mangiare al troll    https://www.rogerk.net/forum/index.php?msg=858599

AZ6108

#42
Citazione di: Geremia il 12 Gennaio 2023, 23:54:02
Il circuito di prelievo RF e' calcolato per una frequenza e quindi per la CB, come per le VHF o le sole UHF va bene.
In un amplificatore HF al variare della frequenza il prelievo puo' non essere sufficiente. Se puo' andare bene per i 27/28MHz, non e' sufficiente per i 3.5MHz.
E non abbiamo parlato del condensatore di ritardo da inserire per la SSB il cui valore cambia anch'esso da banda a banda.
E' molto piu' semplice usare un comando derivato dal PTT. Tutti gli amplificatori HF multibanda seri hanno codesto comando, compreso gli RM di fascia alta.

già, ed anche quelli autocostruiti per uso HF, ad esempio



come si vede, nello schema sopra il relay viene controllato dal PTT dell'apparato e non da un circuito che va a prelevare RF, e quello sopra non è l'unico, ad esempio questo usa lo stesso approccio



stessa cosa questo



ed ovviamente la stessa cosa vale anche per ampli commerciali, come ad esempio lo Yaesu VL-1000



o anche il vecchio FL-2100Z



ed altri, per cui a meno che chi produce (o costruisce) ampli per HF sia scemo, credo che il discorso sia chiaro, o almeno spero
.Never argue with idiots. They will drag you down to their level and beat you with experience.


kz

Citazione di: Geremia il 12 Gennaio 2023, 23:54:02
Il circuito di prelievo RF e' calcolato per una frequenza e quindi per la CB, come per le VHF o le sole UHF va bene.
[...]
Ultima cosa, domandatevi perche' tutti gli RTX radioamatoriali hanno una uscita riconducibile al PTT, potrebbero risparmiarsela e usare una commutazione RF.

scopi diversi, soluzioni diverse.

sempre sui massimi sistemi si finisce, il perché e il percome l'utente ottenesse una emissione "strappata" in SSB rimane ignoto, malgrado le ipotesi.

AZ6108

#44
Citazione di: kz il 13 Gennaio 2023, 11:36:45
scopi diversi, soluzioni diverse.

sempre sui massimi sistemi si finisce, il perché e il percome l'utente ottenesse una emissione "strappata" in SSB rimane ignoto, malgrado le ipotesi.

come ho scritto, ci sarebbe da verificare se il relay vada in vibrazione (succede) o se il problema sia l'apparato che già esce male o il lineare che va in saturazione e causa il clipping della modulazione; per il resto, come ho già scritto, se parlare di lineari in questo forum è un "discorso sui massimi sistemi", allora dovremmo tutti metterci a parlare di ricette di cucina [emoji14]
.Never argue with idiots. They will drag you down to their level and beat you with experience.


r5000

Citazione di: kz il 13 Gennaio 2023, 11:36:45
scopi diversi, soluzioni diverse.

sempre sui massimi sistemi si finisce, il perché e il percome l'utente ottenesse una emissione "strappata" in SSB rimane ignoto, malgrado le ipotesi.
73 a tutti, se l'amplificatore ha proprio lo schema che ha postato Archimede  lavora in classe B, non c'è polarizzazione per avere la classe AB quindi produce la distorsione d'incrocio e in ssb lo noti sicuramente molto, in am e fm visto che c'è una portante l'effetto di questa distorsione è minimo...
non dare da mangiare al troll    https://www.rogerk.net/forum/index.php?msg=858599

AZ6108

#46
Citazione di: r5000 il 13 Gennaio 2023, 14:09:35
73 a tutti, se l'amplificatore ha proprio lo schema che ha postato Archimede  lavora in classe B, non c'è polarizzazione per avere la classe AB quindi produce la distorsione d'incrocio e in ssb lo noti sicuramente molto, in am e fm visto che c'è una portante l'effetto di questa distorsione è minimo...

Sarebbe molto interessante avere qualche info da altri possessori dello stesso lineare, giusto per confermare che in effetti si tratti dell'amplificatore e non di qualcos'altro; tanto per dire, supponi che il CB che pilota il lineare abbia un "modulatore doppio stadio biturbo", un microfono preamplificato "a palla" e sia stato "scacciavitato" alla grande per "aumentare potenza e modulazione" ...

comunque, a proposito di RM, credo possa essere interessante andarsi a rileggere questa discussione

https://www.rogerk.net/forum/index.php?topic=49813.msg548664#msg548664

[emoji56]
.Never argue with idiots. They will drag you down to their level and beat you with experience.


r5000

Citazione di: AZ6108 il 13 Gennaio 2023, 14:34:14
Sarebbe molto interessante avere qualche info da altri possessori dello stesso lineare, giusto per confermare che in effetti si tratti dell'amplificatore e non di qualcos'altro; tanto per dire, supponi che il CB che pilota il lineare abbia un "modulatore doppio stadio biturbo", un microfono preamplificato "a palla" e sia stato "scacciavitato" alla grande per "aumentare potenza e modulazione" ...

73 a tutti, si parla di ssb quindi escludo subito qualsiasi apparato con il doppio modulatore, eco ecc... anche perché in am e fm funziona senza problemi per chi lo ascolta... Poi a seconda del lotto di produzione  e versione può succede che ti ritrovi un'amplificatore in classe AB e lì a seconda della corrente di Bias puoi avere più o meno distorsione ecc... Ma non lo puoi sapere senza guardare cosa c'è dentro l'amplificatore...
non dare da mangiare al troll    https://www.rogerk.net/forum/index.php?msg=858599

Geremia

#48
Allora, dove eravamo rimasti ?.
Prendiamo il KL300 di Archimede e vediamo lo schema. Si fa presto a dire schema visto che RM sotto il nime KL300 ha cambiato piu' versioni. Esempio
Versione 3


Versione 4.2


nella sostanza non cambiano molto specialmente nella parte relativa al funzionamento dei due finali. Come si vede l'amplificatore lavora in classe B il che non e' il massimo per la qualita della modulazione in SSB. Manca totalmente la regolazione del bias per farlo funzionare in classe AB.
E' un amplificatore economico e quindi bisogna accettare questo compromesso.
Ma se si vuole farlo funzionare in classe AB, il modo c'e' ed e' una modifica non troppo invasiva che assicura una potenza di uscita di 110W con 5W in ingresso.
Per fare questo leggere come si fa dal link :
http://arifidenza.it/Forum/pop_printer_friendly.asp?ARCHIVE=true&TOPIC_ID=142823
L'autore IZ0GIF si e' sbagliato dicendo che lavora in classe C, mentre come abbiamo visto lavora in classe B (180 gradi un transistor e 180 gradi l'altro transitor). A parte questo con pochi euro e un po di lavoro con taglierino si risolve il problema. Anche a lui avevano dato come qualita' incomprensibile della modulazione, dopo la modifica tutto OK.
Saludos
Una conoscenza approssimativa è più dannosa rispetto a una totale ignoranza (Umberto Eco)


AZ6108

.Never argue with idiots. They will drag you down to their level and beat you with experience.

r5000

Citazione di: AZ6108 il 13 Gennaio 2023, 21:01:18
il che, non fa altro che confermare il giudizio su RM espresso qui

https://www.rogerk.net/forum/index.php?topic=49813.msg548664#msg548664

[emoji13]

73 a tutti, a dirla tutta l'rm è molto più seria di altre marche visto che rende disponibile gli schemi e se uno è capace di informarsi (ad esempio leggere il datasheet dei componenti per vedere la potenza massima che ovviamente non sarà mai maggiore...) e non crede cecamente alla pubblicità compra con le idee più chiare, è l'unico mio appunto, visto la pubblicità del settore (e non solo...) si rischia sempre di comprare qualcosa di sbagliato ma propio perchè gli schemi sono disponibili anche se non sono dell'amplificatore nuovo ultima versione bene o male si equivalgono, quindi tornando agli amplificatori in classe B  esistono da sempre e in am\ fm  si possono utilizzare senza modifiche, per l'ssb modificare la classe di lavoro in AB è fattibile ma bisogna risolvere almeno due problemi, l'aumento di calore dovuto alla potenza dissipata in rx (a meno che di fare il bias solo in tx con opportuno sequencer...) e la deriva termica diversa tra i due transistor con lo stesso circuito di polarizzazione, si può risolvere con l'aggiunta di una ventola e sdoppiare il circuito di polarizzazione compensato in temperatura per ogni transistor, in pratica trasformiamo un'amplificatore economico nel modello più costo che sicuramente i produttori vendono già quindi se mai comprerò un lineare per l'ssb sarà  in classe AB con il bias compensato in temperatura per ogni transistor, aggiungiamo anche i necessari filtri passa basso, protezioni varie e abbiamo il bla350, guardando lo schema c'è tutto... 
non dare da mangiare al troll    https://www.rogerk.net/forum/index.php?msg=858599

Geremia

#51
Non scomodiamo i sequencer per una modifica cosi' semplice. Lasciamoli ad uso per preamplificatori e amplificatori da palo per frequenze dai 2 metri in su.
Lo schema della modifica e' il seguente :



Io aggiungerei una resistenza da 10K in rosso. Perche' questo ?. Primo non lasciare flottante l'ingresso della base del BC547C, secondo per essere sicuro che in ricezione, con il contatto PTT aperto, il transistor BC547 sia in sicuramente in saturazione e cioe' con VCEsat=0.2V. Cosi' facendo la base del BD243 viene portata a massa e il transistor interdetto e quindi incapace di fornire il bias attraverso la resistenza da 1 OHm e al diodo 1N5401 alle basi dei due finali. Vi chiederete, ma sei sicuro ?. La risposta e' si. Facciamo un po' di calcoli. Il BC547c ha un HFE tipico = 90. quando e' in saturazione la sua corrente di collettore IC diventa 12V/1201 OHm =10mA che divisa per 90 fornisce una corrente di base Ib=0.111uA. Ma io voglio essere sicuro che saturi e allora moltiplico per 4 la Ib che diventa =0.444mA. Se inietto questa corrente in base al BC547C sono matematicamente sicuro che diventi saturo. Vediamo se  inserendo i miei 10K ottengo questo. 12V/(10K+12K)= 513uA che e' la corrente che volevo. Successivamente, quando l'RTX va in trasmissione il comando PTT va a massa spegnendo il BC547C e permettendo cosi' immediatamente di polarizzare i finali con 0.7V.
Tutto qui.
Una conoscenza approssimativa è più dannosa rispetto a una totale ignoranza (Umberto Eco)

r5000

73 a tutti, sì, ho usato il termine sequencer ma pensavo al circuito che gestisce solo la commutazione multipla all'interno dell'amplificatore, in pratica quando mandi in tx l'amplificatore comandi oltre al relè d'antenna (che passa da rx a tx ) anche la polarizzazione dei transistor che in rx non sono polarizzati e quindi non dissipano potenza, la miglioria successiva è sdoppiare il circuito per avere ogni transistor polarizzato singolarmente , questo serve per evitare che la tolleranza costruttiva tra i transistor fà lavorare i transistor in modo diverso distorcendo il segnale amplificato, per finire questo circuito di polarizzazione singolo viene compensato in temperatura per evitare la deriva termica dei singoli transistor che porta distorsione sul segnale, e per finire il discorso si usano (spesso ma non sempre...) coppie selezionate di transistor dalle caratteristiche identiche per avere maggiore affidabilità e minore distorsione possibile...
non dare da mangiare al troll    https://www.rogerk.net/forum/index.php?msg=858599

kz

con un poco di collaborazione la soluzione si trova, come vedete.
rimane "strano" che un produttore decida di usare la classe B per un amplificatore RF, che in classe B è relativamente "lineare", ma vabbe', che si possa usare anche in SSB; evidentemente è più venduta la potenza di picco in AM/FM che la qualità di emissione.
alcuni miei interventi forse sono sembrati fuori luogo per un semplice motivo: il topic è dedicato al KL503 HD (6 MOSFET+driver) mentre la richiesta era relativa al più semplice KL300 (che è il classico lineare con due SD1446), questo conflitto mi ha parecchio confuso.

r5000

Citazione di: kz il 14 Gennaio 2023, 09:28:42
con un poco di collaborazione la soluzione si trova, come vedete.
rimane "strano" che un produttore decida di usare la classe B per un amplificatore RF, che in classe B è relativamente "lineare", ma vabbe', che si possa usare anche in SSB; evidentemente è più venduta la potenza di picco in AM/FM che la qualità di emissione.
alcuni miei interventi forse sono sembrati fuori luogo per un semplice motivo: il topic è dedicato al KL503 HD (6 MOSFET+driver) mentre la richiesta era relativa al più semplice KL300 (che è il classico lineare con due SD1446), questo conflitto mi ha parecchio confuso.
73 a tutti, effettivamente il topic è cominciato 2 anni fa' con un modello e adesso si parla di un'altro modello costruttivamente diverso,  la classe di lavoro B è molto utilizzata perché la richiesta di amplificatori per l'am/fm è maggiore e tutto sommato ha il vantaggio che non servono ventole ecc... Ma se la richiesta di amplificatori per l'ssb era maggiore  si trovavano  molti  in classe AB e solo un'esigua minoranza in classe B...
non dare da mangiare al troll    https://www.rogerk.net/forum/index.php?msg=858599

HAWK

Come diceva il carissimo KZ, ci si girava attorno senza dare conclusioni e soluzioni...
Tutto su ipotesi e teorie, cmq. una differenza nel 503 primo modello e 503HD c'è, nel 503 il max di ingresso era di circa 2 watt in AM, la versione 503HD è di circa 30,  il driver mosfet in ingresso quindi rimosso nella versione HD.


Ne avevo letto...tempo fa.

La RM, è una ditta a mio parere buona, in occasioni contattati telefonicamente mi hanno sempre dato risposte e consigli.

Il problema che rilevo, già posto in altri 3D, è che nelle versioni nuove, non amatoriali, la potenza transitante l' hanno limitata a 50 watt.
Quando è in S.BY.

Un problema se si usano con radio HF...volendo usare i 100 watt nativi.
Sicuramente c'è qualche componente che si dovrebbe alzare di valore in ingresso, o togliere.

73'.

AZ6108

Hawk, basterebbe dimensionare bene la linea di bypass e spostare il condensatore che preleva la RF per il controllo del relay di attivazione DOPO lo switch di bypass, ma siccome per risparmiare il relay e lo switch sono gli stessi, bisognerebbe modificare la circuiteria, insomma; roba fatta a risparmio... non vuole essere un'offesa, capiscimi, OGGI tocca fare così per restare sul mercato, solo che se vai a leggere la discussione che ho linkato e la risposta di RM, non è che ci facciano una gran bella figura [emoji14]
.Never argue with idiots. They will drag you down to their level and beat you with experience.

AZ6108

.Never argue with idiots. They will drag you down to their level and beat you with experience.

HAWK

Ora, atteso che sono quelli che sono, alla fine o si va sui consolidati Ameritron o Acom, nel settore prezzi probabilmente giusti in rapporto costo qualità... [emoji56] [emoji106]

r5000

73 a tutti, se basate la bontà e serietà di una ditta con la pubblicità e i post di un forum fate pure, io mi informo sui componenti utilizzati e se non lo comunicano passo oltre, all'rm forniscono schemi e quindi posso valutare i datasheet dei componenti, tutto il resto del "si mormora" conta zero per avere idea delle prestazioni massime (cioè non sarà MAI superiore a quanto scrivono nei datasheet...) mentre per la valutazione post vendita, puntialità , comunicazione ecc... posso essere d'accordo che un forum o il passa parola aiuta a scegliere il venditore ma per le prestazioni possono pubblicizzare i numeri che vogliono, io non li prendo in considerazione anche perchè propio per avere un'emissione pulita non bisogna mai arrivare a quanto scritto nei datasheet  e dipende molto dal circuito utilizzato, considerando solo la classe AB a seconda della corrente di polarizzazione posso "spremere" più o meno potenza d'uscita e quindi se scrivono 100 watt se voglio un'emissione pulita arriverò a 50 watt massimi, in questo modo sono sicuro di avere armoniche e spurie ben al di sotto del limite previsto e sopratutto eventuali spike prodotti dal trasmettitore non guastano i finali che sono a rischio se portati al limite delle loro prestazioni, quindi se il produttore dice 150 watt ma i transistor sono da 50 watt l'uno io li utilizzo per avere 50 watt d'uscita e non i 100 watt massimi che può erogare quel tipo di circuito, certamente c'è chi usa lo stesso lineare a 100 watt e magari lo porta anche a 150 watt quando se ne frega della qualità ma è facile che in poco tempo scoppia mentre per come lo piloto io non brucerà mai nulla... questo discorso vale per tutti i produttori e per tutti gli amplificatori venduti, (escluso forse  il broadcasting e i militari dove le caratteristiche non danno spazio alla pubblicità) per gli amplificatori radioamatoriali oltre al dubbio sulla potenza reale (che non è mai quella pubblicizzata...) c'è il discorso affidabilità e ciclo di lavoro, per le broadcasting è facile, funzionano h24 sempre ma ad esempio un'acom pur bello che sia lo mandi in protezione se prolunghi la trasmissione oltre il tempo previsto dal costruttore e con i modi digitali si leggono lamentele in tal senso, quindi anche i prodotti di classe elevata non sono esenti da lamentele...
non dare da mangiare al troll    https://www.rogerk.net/forum/index.php?msg=858599

HAWK

@ R5000

Hai scritto una grande verità, la differenza abissale tecnica che c'è tra il professionale ed il radio dilettantistico. [emoji106]

Alla luce di questo ragionamento, il quale è da me condiviso, rimango perplesso del costo che hanno gli amplificatori per il mondo amatoriale, alla fine di solido reale c'è poco.
73'.

Geremia

Occorre ricordare sempre una cosa semplice ed indipendente dai modi di emissione. Ad esempio se il fusibile e' da 30A e l'alimentazione e' 13V allora la potenza assorbita sara' 390W. Anche considerando un rendimento del 70% la potenza di uscita sara' 200W. Se loro dichiarano 350W allora il rendimento sarebbe 90%.
Vi sembra possibile in classe AB ?.
Una conoscenza approssimativa è più dannosa rispetto a una totale ignoranza (Umberto Eco)