Potenza all'antenna

Aperto da Geremia, 21 Aprile 2023, 12:45:51

Discussione precedente - Discussione successiva

0 Utenti e 1 Visitatore stanno visualizzando questa discussione.

Geremia

Quando inserisco un accordatore di antenna in stazione per accordarla, quanto e' realmente la potenza inviata sul cavo, la potenza che arriva all'antenna e l'SWR alla stessa ?

Supponiamo la potenza del trasmettitore sia PTX=100W e che, i dati letti dall'accoppiatore direzionale posto dopo l'accordatore siano :
Pdi=104W
Pri=4.2W
SWRi = 1.5
e che l'attenuazione del cavo sia A=4 dB

Convertendo in dB si ha che Pdi=20dB. Pertanto considerando l'attenuazione del cavo A=4dB si ottiene la potenza diretta all'antenna Pdl=16dB che corrisponde a 40W.
La potenza riflessa al carico Prl vale 6.23+4=10.23dB corrispondente a 10.5W.
A questo punto posso calcolare l'SWR all'antenna (SWRl).
SWRl=(1+SQRT(Prl/Pdl))/(1-SQRT(Prl/Pdl))= (1+SQRT(10.5/40))/(1-SQRT(10.5/40))=3
Quindi in stazione leggo SWR=1.5 mentre all'antenna il vero SWR=3.
La potenza che l'antenna ha a disposizione risulta percio' Pl=Pdl-Prl = 40-10.5=29.5W.
Con il seguente grafico, in funzione dell'attenuazione del cavo A, si puo' risalire dall'SWR in stazione all'SWR al carico.
carica foto su internet
Per quanto riguarda A=0 e cioe' un cavo senza attenuazione si puo' notare che l'SWR in stazione corrisponde all'SWR all'antenna.






Una conoscenza approssimativa è più dannosa rispetto a una totale ignoranza (Umberto Eco)


AZ6108


una domanda, da dove arriva l'assunto che l'attenuazione del cavo, in quelle condizioni, sia di 4dB ?
.Never argue with idiots. They will drag you down to their level and beat you with experience.

kz

"venghino siori, venghino: s'apre la barberia per ciuchi!"


AZ6108

#3
Citazione di: kz il 21 Aprile 2023, 13:16:20"venghino siori, venghino: s'apre la barberia per ciuchi!"

sarò anche "ciuco" come scrivi tu, ma siccome c'è qualcosa che non mi torna e vorrei capire, ho chiesto informazioni.

@Geremia

per chiarezza, il mio dubbio deriva da qui

https://owenduffy.net/blog/?p=16850

ossia dal fatto che le perdite in dB di una data tratta L di coassiale ad una data frequenza F sono prossime a quelle dichiarate/misurate solo se il disadattamento di impedenza è relativamente ridotto

.Never argue with idiots. They will drag you down to their level and beat you with experience.


ik2cnf

Citazione di: AZ6108 il 21 Aprile 2023, 12:57:27una domanda, da dove arriva l'assunto che l'attenuazione del cavo, in quelle condizioni, sia di 4dB ?
mi domando:

se qualcuno formula un problema, ponendo delle condizioni iniziali e degli "assunti", che vengono formulati a priori,
che senso ha contestarli?

73 maurizio


AZ6108

#5
Citazione di: ik2cnf il 21 Aprile 2023, 15:49:54mi domando:

se qualcuno formula un problema, ponendo delle condizioni iniziali e degli "assunti", che vengono formulati a priori,
che senso ha contestarli?

73 maurizio


Maurizio, non sto contestando gli assunti, sto esponendo un dubbio, ossia che quei 4dB di perdita non restino costanti quando il disadattamento di impedenza varia parecchio rispetto all'impedenza caratteristica della linea, mi sembra un dubbio legittimo, poi per carità, sarò anche "ciuco" come scrive "kz" ma non credo di stare sviando il tema della discussione

.Never argue with idiots. They will drag you down to their level and beat you with experience.


AZ6108


Per chiarezza, se proviamo ad usare questo

https://owenduffy.net/calc/tl/tllc.php

selezionando come cavo il belden 8259, 30 metri di lunghezza, 28 MHz per la frequenza e poi in mismatch impostiamo "load end VSWR bad case ..." ed impostiamo il valore VSWR a 3, andando a calcolare il tutto vedremo che mentre le perdite tipiche della tratta di coassiale restano invariate (ovviamente), le perdite effettive sono notevolmente superiori
.Never argue with idiots. They will drag you down to their level and beat you with experience.


Geremia

#7
Nessun problema, pensavo ci saresti arrivato da solo.
L'attenuazione totale equivale a quella definita dal costruttore per metro se il cavo e' usato NON in regime di stazionarie. Nel caso specifico, 4 dB sono una mia imposizione, d'altra parte non ho citato alcun tipo di cavo e nessuna lunghezza ma solo una attenuazione generica. Peraltro non ho indicato alcuna frequenza in quanto nel computo dell'SWR non ha importanza.
Almeno questa volta speravo in un tuo apporto numerico e non di un link in relazione a quanto avevo lasciato in sospeso per vedere le risposte che sarebbero arrivate. In ogni caso l'attenuazione totale Atot vale :
Atot= 10*log(Ptx/Pl)=10 *log(100/29.5)=5.3dB
da cui si evincie il contributo di circa 1.3dB dovuto alla presenza di stazionarie sul cavo per il disadattamento (discontinuita') lato antenna.
Una conoscenza approssimativa è più dannosa rispetto a una totale ignoranza (Umberto Eco)

Geremia

#8
Adesso formulo io una domanda :
Supponiamo di avere un'antenna (carico) con Za=500+j500, un cavo coassiale ideale, ripeto ideale, un trasmettitore con potenza 100W.
Domanda : la potenza che arriva al carico quanto sara' ?
Anticipo che il valore dell'impedenza caratteristica del cavo Zc non ha importanza, puo' essere 50, 75, 100 OHm o altro e, ovviamente la frequenza puo' essere qualsiasi dal momento che il cavo e' ideale. Anticipo che l'SWR all'antenna e' circa 20 ma, anche in questo caso, non serve per la soluzione.
Una conoscenza approssimativa è più dannosa rispetto a una totale ignoranza (Umberto Eco)


ik2cnf

Citazione di: Geremia il 21 Aprile 2023, 17:14:17Adesso formulo io una domanda :
Supponiamo di avere un'antenna (carico) con Za=500+j500, un cavo coassiale ideale, ripeto ideale, un trasmettitore con potenza 100W.
Domanda : la potenza trasferita al carico quanto sara' ?
Anticipo che il valore dell'impedenza caratteristica del cavo Zc non ha importanza, puo' essere 50, 75, 100 OHm o altro e, ovviamente la frequenza puo' essere qualsiasi dal momento che il cavo e' ideale. Anticipo che l'SWR all'antenna e' circa 20 ma, anche in questo caso, non serve per la soluzione.
PS: anche il fattore di velocita' non ha importanza.
Cosa si intende per "cavo coassiale ideale"?
Perché in caso di attenuazione = 0 le perdite saranno nulle, a prescindere dal VSWR.
Ma è un'ipotesi, non esiste un'attenuazione nulla.

73 maurizio

Geremia

#10
Ideale e' esattamente questo cioe' senza perdite. Siamo nel campo teorico. E' un gioco di prestigio. Quindi ... la potenza che arriva all'antenna sara' 100W.
Una conoscenza approssimativa è più dannosa rispetto a una totale ignoranza (Umberto Eco)


BarboneNet

Seguo

Inviato dal mio SM-M135F utilizzando Tapatalk

Radio: Yaesu FT-710
Antenne: T2LT 11-10m | T2LT 6m | Sirio Performer P2000 11-10m | Rybakov 60-10m | Short Rybakov 20-10m | DeltaLoop 37° 11m | DeltaLoop 60° 11-10m | DeltaLoop 60° 40-6m | SuperSkypper 11m | SuperSkypper 20m | Skyrex 11m | Invert V Dipole 40m | Invert V Dipole 20m
Tuner: MFJ-998 | ATU-100 | MFJ-945E
Lineari: DX World-E 1.2KW V3
Microfoni: Yaesu MH-31 Full Modded
Canale YouTube: https://www.youtube.com/channel/UCXQxTF1vOZ4CLUg30DLPppg

Geremia

Una conoscenza approssimativa è più dannosa rispetto a una totale ignoranza (Umberto Eco)


Geremia

#13
Termino chiarendo una cosa importante. Molti usano la antenna per la CB per operare anche su altre gamme. Occorre ricordare che se il disadattamento e' molto elevato, si sottopone il cavo coassiale ad uno stress elettrico notevole e l'attenuazione totale, come abbiamo visto, aumenta notevolmente.
Esiste la convinzione che l'accordatore in stazione permetta di risolvere questo problema, ma e' errato. Spesso mi sento dire "allora perche' negli apparati e' inserito l'accordatore ?". La ragione e' una soltanto, salvaguardare la vita dello stato finale che ad oggi e' allo stato solido. In precedenza gli apparecchi con stadio finale a valvole contenevano un PI-GRECO che permetteva di accordare anche carichi disadattati allo stadio finale a valvole. Un disegno permette di capire meglio :

Il carico non adattato alla linea introduce una discontinuità e parte del segnale viene riflesso. La presenza dell'accordatore tra TX ed inizio linea introduce un'altra discontinuità. Ad accordo raggiunto il risultato e' che le due riflessioni introdotte si annullano a vicenda ed il TX vede un matching perfetto. Sulla linea pero' rimangono le onde stazionarie.
Se fosse possibile inserire l'accordatore vicino al carico (antenna), non sarebbero più presenti onde stazionarie lungo la linea. Le tensioni e correnti in linea sarebbero minori con minori sollecitazioni del cavo e non ci sarebbe l'ulteriore attenuazione dovute alla presenza di stazionarie.
Perché non lo si fa ?. Sicuramente è più comodo avere l'ATU in stazione e molto spesso, poi, l' ATU è già contenuto nel trasmettitore che compriamo, come gia' accennato.
Tranne casi particolari, l'eliminazione delle stazionarie, poi, comporta sì una diminuzione della attenuazione, ma il "grosso" dell'attenuazione, dovuto proprio alla qualità della linea, rimane.
E' bene pertanto preoccuparsi più della bontà della linea che deve essere con poca attenuazione, piuttosto che dell'eventuale SWR.

Una conoscenza approssimativa è più dannosa rispetto a una totale ignoranza (Umberto Eco)

r5000

73 a tutti, concordo, la perdita del cavo è ben più importante del Ros, un "esperimento" valido per capire quanto perde il cavo è utilizzare un carico fittizio e con il wattmetro si misura all'inizio del cavo ( tra trasmettitore e cavo di discesa), si prende nota del valore e poi si sposta il wattmetro tra i cavo di discesa e carico fittizio, si misura e la differenza tra i due valori ci dice quanto perde il cavo alla frequenza di test , le stesse misure su bande diverse permettono di capire la frequenza massima  utilizzabile e ad esempio con l'rg58 si vede che c'è tanta differenza tra le VHF e UHF già con 10 mt di cavo...
non dare da mangiare al troll    https://www.rogerk.net/forum/index.php?msg=858599


AZ6108

Citazione di: Geremia il 22 Aprile 2023, 14:01:35Termino chiarendo una cosa importante. Molti usano la antenna per la CB per operare anche su altre gamme. Occorre ricordare che se il disadattamento e' molto elevato, si sottopone il cavo coassiale ad uno stress elettrico notevole e l'attenuazione totale, come abbiamo visto, aumenta notevolmente.
Esiste la convinzione che l'accordatore in stazione permetta di risolvere questo problema, ma e' errato. Spesso mi sento dire "allora perche' negli apparati e' inserito l'accordatore ?". La ragione e' una soltanto, salvaguardare la vita dello stato finale che ad oggi e' allo stato solido. In precedenza gli apparecchi con stadio finale a valvole contenevano un PI-GRECO che permetteva di accordare anche carichi disadattati allo stadio finale a valvole. Un disegno permette di capire meglio :

Il carico non adattato alla linea introduce una discontinuità e parte del segnale viene riflesso. La presenza dell'accordatore tra TX ed inizio linea introduce un'altra discontinuità. Ad accordo raggiunto il risultato e' che le due riflessioni introdotte si annullano a vicenda ed il TX vede un matching perfetto. Sulla linea pero' rimangono le onde stazionarie.
Se fosse possibile inserire l'accordatore vicino al carico (antenna), non sarebbero più presenti onde stazionarie lungo la linea. Le tensioni e correnti in linea sarebbero minori con minori sollecitazioni del cavo e non ci sarebbe l'ulteriore attenuazione dovute alla presenza di stazionarie.
Perché non lo si fa ?. Sicuramente è più comodo avere l'ATU in stazione e molto spesso, poi, l' ATU è già contenuto nel trasmettitore che compriamo, come gia' accennato.
Tranne casi particolari, l'eliminazione delle stazionarie, poi, comporta sì una diminuzione della attenuazione, ma il "grosso" dell'attenuazione, dovuto proprio alla qualità della linea, rimane.
E' bene pertanto preoccuparsi più della bontà della linea che deve essere con poca attenuazione, piuttosto che dell'eventuale SWR.

quoto in toto (fa anche rima !) non per piaggeria o simili cattive abitudini, ma perché concordo al 100% se si deve/vuole usare un accordatore con una linea COASSIALE è importante piazzare l'accordatore nel punto in cui c'è il disadattamento di impedenza (nella maggior parte dei casi, al punto di alimentazione dell'antenna) in modo che il coassiale sia terminato alla sua impedenza caratteristica ad entrambe le estremità

.Never argue with idiots. They will drag you down to their level and beat you with experience.

Geremia

#16
A proposito di quanto riportato da R5000 faccio un esempio tenendo conto anche dell'errore dello strumento che misura l'SWR e che ipotizzo al 5% (ipotesi abbastanza reale).
Una linea di 20 m di cavo coassiale di qualità mediocre (RG58) utilizzata a 144 MHz presenta un'attenuazione stimata di 4 dB. Se, all'uscita del trasmettitore misuriamo un ROS = 2.0, quale valore di ROS misureremmo ai morsetti dell'antenna? Il calcolo esatto dà: VSWRL= 11.3, secondo il procedimento descritto in un mio post precedente. Se consideriamo, però, la precisione limitata dello strumento (5 % del fondo scala, tipico), gli errori di misura, ecc., è facile arrivare alla conclusione che verosimilmente l'antenna è inutilizzabile perché in corto circuito o "aperta". Infatti, se il ROS all'ingresso, tenendo conto degli errori, invece di SWRi = 2 fosse SWRi = 2.2 e se l'attenuazione della linea, invece di A = 4 dB fosse A = 4.25 dB, il calcolo indica che il ROS misurato all'antenna diviene esattamente : VSWRL = Ꝏ (infinito).
Quindi, ciabatte per la piscina, stivali per la montagna e cavo adatto per la frequenza in uso.
Una conoscenza approssimativa è più dannosa rispetto a una totale ignoranza (Umberto Eco)


kz

#17
con buona pace dei venditori di basi magnetiche corredate di 4/5 m. di RG58.

ps: visto che non ti sei adirato come altre volte, caro Geremia, mi sa che stavolta ranno e sapone sono serviti.
la barberia la apriamo la prossima volta, io vengo a pulire in terra.

Geremia

#18
Mi preme fare un'ultima osservazione e cioe' cosa succede quando si inserisce sulla linea un misuratore di onde stazionarie o un wattmetro direzionale.
L'inserimento di un qualunque strumento di misura lungo la linea ne determina il suo "allungamento elettrico". L'impedenza all'ingresso della linea Zi cambia, il trasmettitore vede un'impedenza diversa e l'ATU deve intervenire per mantenere il migliore trasferimento di potenza.(nuovo "accordo").
Ora, se lo strumento inserito in linea presenta impedenza uguale al valore dell'impedenza caratteristica Zo della linea, la sua presenza non altera il ROS in linea, ma solo il suo allungamento elettrico (cambia il coefficiente di riflessione riportato all'ingresso e cambia il valore della impedenza di ingresso Zi, che diventa Zi' ) Ovviamente si suppone che lo strumento non presenti perdite apprezzabili. Il punto Zi si sposta sulla carta di Smith lungo una circonferenza, sempre distante dal centro.
La misura del wattmetro direzionale o simili, se di impedenza adatta alla impedenza caratteristica della linea Zo, è valida anche se viene inserito in punti della linea con impedenza locale diversa da Zo.
Quando dico che il coefficiente di riflessione cambia in quanto si ha un allungamento elettrico della linea, intendo che non cambia di modulo ma di fase ruotando sulla circonferenza di raggio del modulo del coefficiente di riflessione. Ecco perche' occorre rifare l'accordo.
Solo quando la lunghezza dello strumento (lunghezza elettrica tra ingresso e uscita dello strumento stesso) è molto piccola rispetto alla lunghezza d'onda, in entrambi i casi, tutti questi effetti diventano trascurabili. In campo HF questo non produce variazioni apprezzabili ma in UHF e oltre, se la lunghezza elettrica dello strumento e' comparabile, come ordine di grandezza alla lunghezza d'onda in uso allora l'effetto si fa sentire. Pensate ad esempio ai 23cm con un rosmetro "lungo" 10cm.
Bene, ho terminato. Queste mie ultime osservazioni sono supportate dalla teoria che pero' vi risparmio perche' necessiterebbero la conoscenza di alcune nozioni che non necessariamente, chi si diverte con questo hobby, deve avere.
Hasta a la proxima mis amigos, ole'.
Una conoscenza approssimativa è più dannosa rispetto a una totale ignoranza (Umberto Eco)


AZ6108

@Geremia

perdonami ma qui un sorriso è obbligatorio, dato che stiamo salendo di livello di parecchio, sei arrivato addirittura ad Heisenberg [emoji1] !
.Never argue with idiots. They will drag you down to their level and beat you with experience.

Geremia

#20
Davvero, non me ne sono accorto, ma devi sapere che Werner, Niels ed io siamo stati amici per lungo tempo.
Una conoscenza approssimativa è più dannosa rispetto a una totale ignoranza (Umberto Eco)


Amleto

Buongiorno e Buona Domenica per tutti i presenti.

Avendo seguito con molto interesse questa discussione mi sia consentito, anche se "fuori argomento", di ringraziare evidenziando e complimentandomi con il collega "Geremia" per averla accesa su un argomento di grande interesse ed oggetto più volte di DUBBI e dibattiti.

Mi sono ritrovato ad andare indietro di quasi settant'anni poiché mi è stata richiamata alla memoria una stupenda lirica di Gabriele D'Annunzio, "I Seminatori"...

Infatti, "Geremia" hai seminato, innaffiato e fatto germogliare vigorosamente quel "seme" che hai piantato, con uno stile, che ti è peraltro consono, di "Docente" avvezzo al dialogo e paziente nel fornire spiegazioni!!.

A mio modesto avviso è questo il modo corretto di partecipare e vivacizzare un "Forum" confrontandosi serenamente e mettendo a disposizione ed in discussione con tutti i partecipanti, più e meno acculturati, quanto più si può e secondo il proprio livello di preparazione.

Chiedendo scusa per il "Fuori Argomento" introdotto, sia gradito ancora un saluto ed un cordiale augurio di Buona Domenica.

Amleto
Il "DUBBIO", "Metodico" ("Cartesiano") ed "Iperbolico" ("Amletico"), se CONTROLLATI, si possono Positivamente considerare definizioni alternative di "Curiosità" e/o "Libero Arbitrio" ;  doti che, animando l'Essere Umano, hanno contribuito allo sviluppo della Civiltà e della Conoscenza .
Se INCONTROLLATI, tragicamente purtroppo, sono i prodromi di "Crisi di Panico" o di "Pazzia".

Geremia

#22
Troppo buono Amleto,
si fa quello che si puo' e con i mezzi che si ha e, se puo' interessare ad altri, ben venga.
Quando scrivo cerco di fare in modo che i concetti siano legati a dimostrazioni numeriche in quanto il "sentito dire da altri" non mi appartiene. Ai numeri, invece, si deve credere. Solo nell'ultimo post ho ritenuto opportuno non fare la dimostrazione utilizzando le formule associate alla teoria delle linee in quanto sarebbe stata utile per quei pochi che la conoscono ma, per la maggioranza di coloro che esercitano il nostro hobby, sarebbe stata pesante da digerire senza le necessarie basi.
73'

Una conoscenza approssimativa è più dannosa rispetto a una totale ignoranza (Umberto Eco)


Geremia

#23
Rileggendo il tutto mi sono accorto di una mancata spegazione nel mio primo post di apertura. Quando si calcola la potenza riflessa sul carico io eseguo la somma 6.23+4=10.23dB. Mi sono dimenticato di scrivere che 6.23dB sono la conversione in dB dei 4.2W riflessi e letti in stazione. Chiedo scusa e, se non mi sia stata fatta notare questa mancanza, puo' significare solo due cose :
a) chi ha letto si e' immaginato la conversione
b) non e' stato letto da alcuno e quindi questa mia mancanza e' passata in cavalleria.
In ogni caso era doveroso fare questa precisazione a futura memoria.
Una conoscenza approssimativa è più dannosa rispetto a una totale ignoranza (Umberto Eco)

s1gg

@Geremia

io neofita di radiofrequenza ti ringrazio della spiegazione.
non ho capito tutti i passaggi ma hai messo un seme che vedrò di coltivare.

ripeto grazie.

73 Luca


Geremia

#25
Bene, dalle risposte vedo che almeno in 3 (forse 5) hanno letto i miei post, e che uno di questi abbia trovato qualche errore. La cosa mi rallegra, almeno non ho scritto invano.
x s1gg, mi spiace che qualche passaggio ti sia rimasto ostico, pensavo di avere utilizzato una spiegazione comprensibile ai piu' e che fosse un buon compromesso tra la teoria e la pratica. Non me ne vogliate ma meglio di cosi' non sono riuscito ad esprimere i concetti che volevo.

Una conoscenza approssimativa è più dannosa rispetto a una totale ignoranza (Umberto Eco)


nik77

Salve a tutti ,grazie Geremia ,mi hai dato una botta in testa ,per svegliarmi per bene ,adesso capisco qualcosa in piu su come agire nel solo misurare il fattore di loss nel cavo e quanto ce di perdita ,super interessante che nel cavo si annulano le correnti pero ce sempre loss ,perfavore scusa il mio Italiano ma sono madre lingua Inglese ,pero chiedo solo se il fattore di velocita puo influire nel pratico ,grazie di nuovo 73s to all,nik.


Geremia

#27
I'll try to explain myself in your native language since I lived in USA for a couple of years.
The light propagates at 300,000 km/sec, while in a coaxial cable it's reduced by the speed factor of the cable. In a vacuum it is 1, in a coaxial cable it is less than 1. This implies that the corresponding electric wavelength of a coaxial cable is less than the theoretical and therefore also the electric wavelength of the cable is less than the theoretical.
electric wavelength = (theoretical speed of light / frequency in MHz) * speed factor.
For example, the electric wavelength of a coaxial cable with a speed factor of 0.66 at a frequency of 27 MHz is :
(300000000/27000000)*0.66= 7.3 meters and not 11 theoretical meters. This shortening is caused by the type of dielectric of the cable.
I hope you enjoied.
Una conoscenza approssimativa è più dannosa rispetto a una totale ignoranza (Umberto Eco)

AZ6108

@Geremia

se il mio singolo neurone ad intermittenza sta funzionando, l'impedenza di un coassiale è calcolabile come

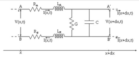
Z = sqrt( (R + j * omega * L) / (G + j * omega * C) )


dove, nel caso di un coassiale ideale (inesistente) abbiamo che R=G=0, e sin qui credo/spero ci siamo, ma a parte la divagazione, torniamo al discorso attenuazione...

Supponiamo che in condizioni normali una tratta L di coassiale con un'impedenza caratteristica Z presenti ad una data frequenza F un'attenuazione pari a 4 dB, ma tale attenuazione sarà reale solo se il cavo è terminato alla propria impedenza caratteristica, in caso contrario, lavorando in regime stazionario il cavo si riscalderà (più o meno, in relazione a potenza, frequenza e disadattamento), ed in tali condizioni, conduttori e dielettrico non presenteranno più i loro valori caratteristici e la perdita reale, dovuta a tale variazione, sarà diversa da quella teorica
.Never argue with idiots. They will drag you down to their level and beat you with experience.


Geremia

#29
Ma hai letto quello che ho scritto riguardo all'attenuazione totale Atot scritto o no ?
CitazioneAtot= 10*log(Ptx/Pl)=10 *log(100/29.5)=5.3dB
da cui si evincie il contributo di circa 1.3dB dovuto alla presenza di stazionarie sul cavo per il disadattamento (discontinuita') lato antenna.
.
E' ovvio che quel 1.3 dB in piu' di attenuazione viene dissipata sotto forma di calore dalla resistenza distribuita lungo il cavo (R*I^2).
Una conoscenza approssimativa è più dannosa rispetto a una totale ignoranza (Umberto Eco)


nik77

Thankyou very much my dear fellow ham,purtroppo sto ancora imparando dopo quasi 40 anni di assenza ,mi piace leggere e sperimentare ,e ti ringrazio di cuore per il tempo dedicato a questo topic ,73s to all,nik.


AZ6108

Citazione di: Geremia il 23 Aprile 2023, 19:25:37Ma hai letto quello che ho scritto riguardo all'attenuazione totale Atot scritto o no ?.
E' ovvio che quel 1.3 dB in piu' di attenuazione viene dissipata sotto forma di calore dalla resistenza distribuita lungo il cavo (R*I^2).

@Geremia

non sto parlando delle perdite dovute al regime stazionario, ma di quelle introdotte dalla variazione dei parametri fisici di funzionamento della linea, tra i quali la temperatura, fattori che vanno a variare le caratteristiche della linea


.Never argue with idiots. They will drag you down to their level and beat you with experience.

Geremia

#32
Dimmi tu quali sono i fattori che vanno a cambiare la caratteristica della linea. Io ti posso dire che la linea in cavo coassiale si puo' assimilare per semplicita' a varie celle in sequenza lunghe da Xn a Xn+dx dove esistono perdite joule in serie per la resistenza del conduttore e in parallelo a causa della conduttanza del dielettrico (cfr. wikipedia).

Una causa potrebbe essere l'invecchiamento del dielettrico, ma non so' in che misura interviene.
Poi se uno esagera con la potenza in regime di troppo disadattamento allora il dielettrico si puo' perforare e in questo caso l'attenuazione aumenta. Esistono cavi nati per essere interrati e altri no. I raggi ultravioletti potrebbero, ma non so in che misura, agire sulla guaina provocando un effetto di migrazione che potrebbe portare a screpolature nella guaina permettendo alle intemperie di entrare nel cavo.
Adesso pero' non mi tirare fuori un ulteriore argomento dovuto alla discontinuita' dovuta ad un raggio di curvatura troppo stretto, perche' non saprei quantificarla.
E' certo che se prendo un cavo coassiale per RF e lo liego in un punto di 180 gradi, allora si genera la discontinita' in quel punto e la Zc in quel punto cambia, ma perche' il dielettrico ha subito una deformazione meccanica.


Una conoscenza approssimativa è più dannosa rispetto a una totale ignoranza (Umberto Eco)